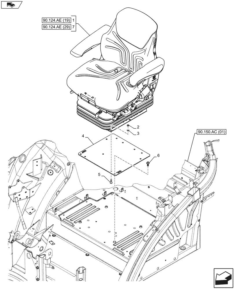
Запчасти Case IH FARMALL 105U (90.124.AE[01]) - VAR - 744719 - DRIVER SEAT, AIR SUSPENSION (90) - PLATFORM, CAB, BODYWORK AND DECALS

Схема запчастей Case IH FARMALL 105U - (90.124.AE[01]) - VAR - 744719 - DRIVER SEAT, AIR SUSPENSION (90) - PLATFORM, CAB, BODYWORK AND DECALS
90.150.ac (01)
6
1
4
home
7
2
3
5
90.124.ae (19)
90.124.ae (29)
FIT
1:1
100%

Артикул

Название

Примечание

Количество

1

47488669

DRIVER SEAT

Case EHR

1шт.

2

16100814

NUT,M8, Cl 8, DAC

4шт.

3

11193874

BELLEVILLE WASHER,M8 Bolt Size x 16mm OD x 1.4mm Thk

4шт.

4

84469342

PLATE

1шт.

5

14442024

SCREW,Flat Csk Hd, M8 x 1.25 x 20mm, Cl 8.8

4шт.

6

84187826

FLANGE BOLT,Torx Rnd Hd, M8 x 20mm, Cl 8.8, Full Thd

4шт.

7

47476148

DRIVER SEAT

Case

1шт.

Выбрано товаров: 7