Запчасти Case IH FARMALL 105U (10.000.00[01]) - SECTION INDEX - ENGINE (10) - ENGINE

Схема запчастей Case IH FARMALL 105U - (10.000.00[01]) - SECTION INDEX - ENGINE (10) - ENGINE
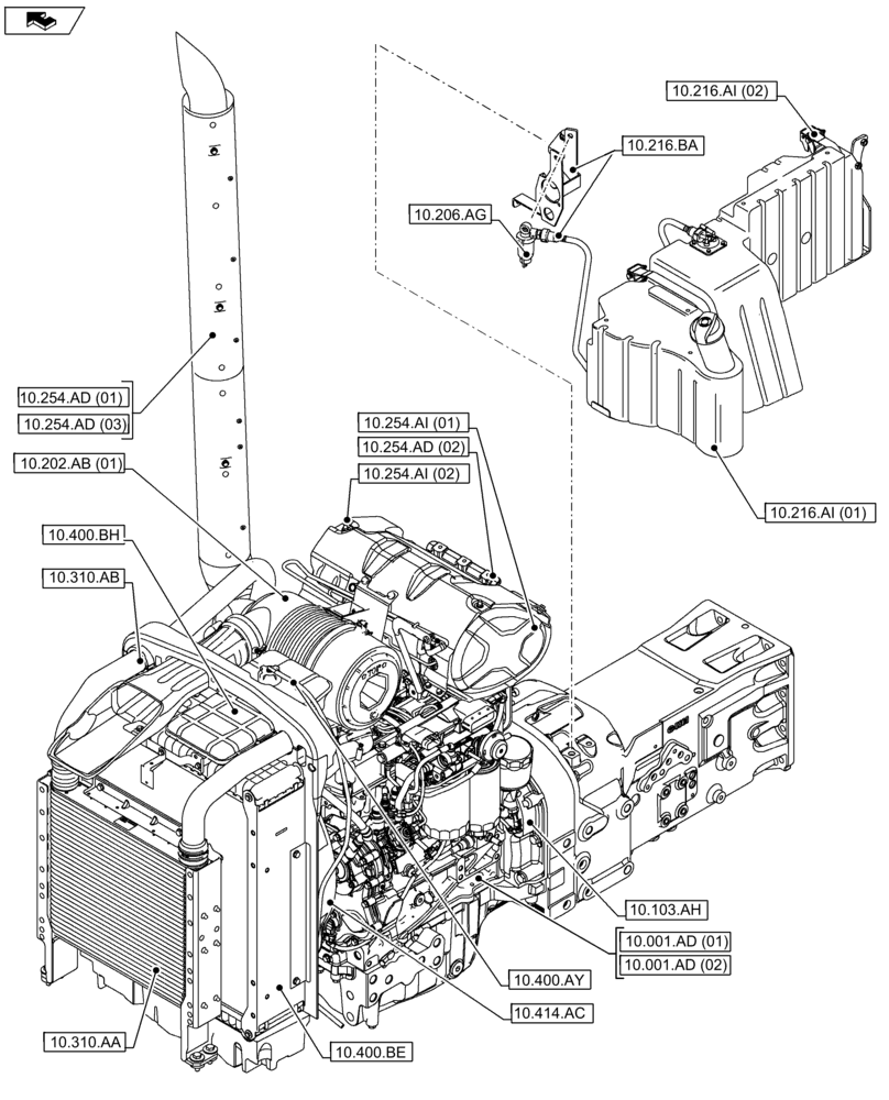
10.310.aa
10.414.ac
10.216.ai (01)
10.001.ad (01)
10.216.ba
10.310.ab
10.254.ad (03)
10.001.ad (02)
10.216.ai (02)
10.400.ay
10.103.ah
home
10.202.ab (01)
10.254.ai (02)
home
10.400.be
10.254.ad (02)
10.400.bh
10.206.ag
10.254.ad (01)
10.254.ai (01)
FIT
1:1
100%