Запчасти Case IH FARMALL 105U (10.254.AD[01]) - VAR - 334144 - EXHAUST SYSTEM PIPE (10) - ENGINE

Схема запчастей Case IH FARMALL 105U - (10.254.AD[01]) - VAR - 334144 - EXHAUST SYSTEM PIPE (10) - ENGINE
17
2
10.254.ai (01)
7
12
18
21
3
15
4
13
10
19
5
20
14
8
1
11
21.112.ac (01)
6
9
23
24
15
22
home
home
16
FIT
1:1
100%

Артикул

Название

Примечание

Количество

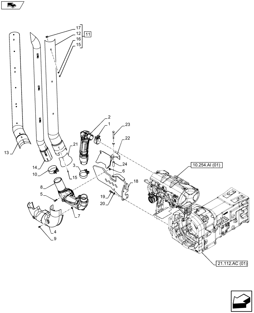
1

84499086

CLAMP,64.9mm

1шт.

2

84573342

EXHAUST SYSTEM PIPE

1шт.

3

84499087

CLAMP,81.1mm

1шт.

4

84599852

HEAT SHIELD

Lower

1шт.

5

16288824

FLANGE BOLT,Hex, M10 x 1.25 x 45mm, Cl 8.8

2шт.

6

829-2410

FLANGE NUT,M10 x 1.5, Flg, Cl 10

2шт.

7

47398014

SPACER,9mm ID x 20mm OD x 10mm L

2шт.

8

84599830

SUPPORT

1шт.

9

16287121

BOLT,Hex, M8 x 20mm, Cl 8.8, Full Thd

2шт.

10

84499088

COLLAR CLAMP

1шт.

11

47658810

EXHAUST SYSTEM PIPE

ASSY, Incl 12 - 17

1шт.

12

47658293

HEAT SHIELD

Front

1шт.

13

47658805

HEAT SHIELD

Rear

1шт.

14

47658236

EXHAUST SYSTEM PIPE

1шт.

15

86508568

BOLT,Hex, M6 x 1 x 16mm, Cl 8.8

16шт.

16

11194671

BELLEVILLE WASHER,M6 Bolt Size x 15mm OD x 1mm Thk

16шт.

17

14189071

SPRING NUT,M6

16шт.

18

84582394

SUPPORT

1шт.

19

84571678

HEX SOC SCREW

4шт.

20

14496704

WASHER,13mm ID x 24mm OD x 2.5mm Thk

4шт.

21

47658826

HEAT SHIELD

Front, Lower

1шт.

22

47446252

COVER

1шт.

23

15972231

BOLT,Hex, M10 x 1.25 x 120mm, Cl 10.9

1шт.

24

86837468

SPACER,13.5mm ID x 19mm OD x 68.3mm L

1шт.

25

12642501

WASHER,10.2mm ID x 22mm OD x 2mm Thk

1шт.

Выбрано товаров: 25