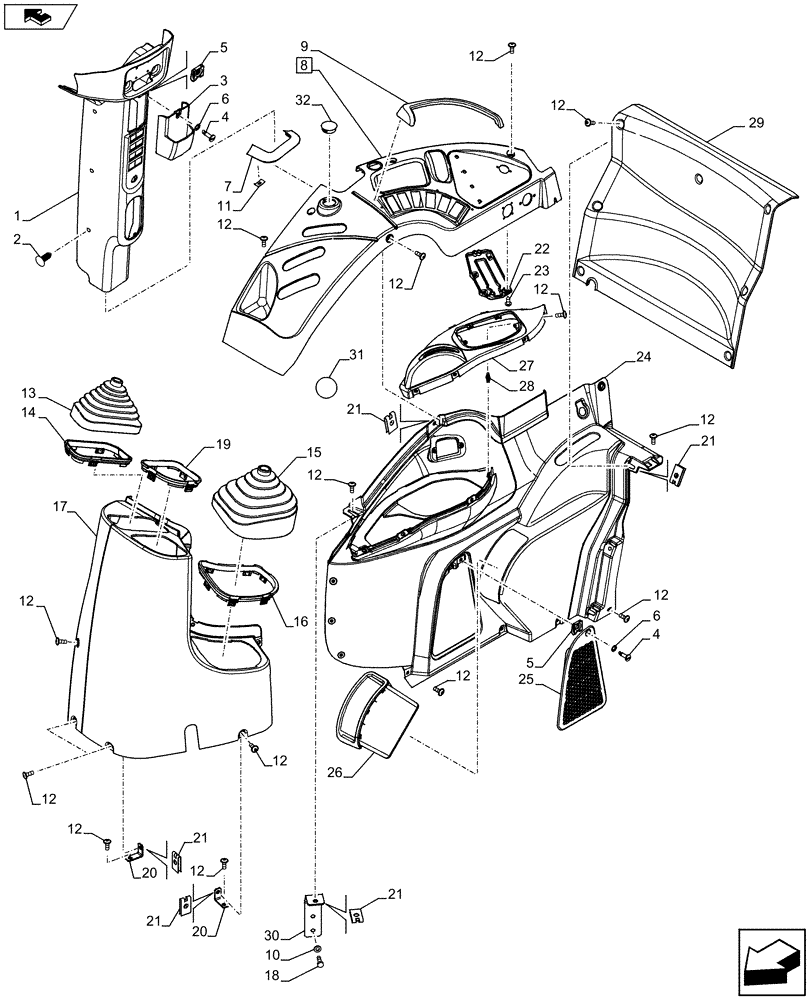
Запчасти Case IH FARMALL 105U (90.160.BL[05]) - VAR - 743722 - CAB INTERIOR TRIM - RIGHT SIDE - W/ MECHANICAL MID-MOUNT VALVE (90) - PLATFORM, CAB, BODYWORK AND DECALS

Схема запчастей Case IH FARMALL 105U - (90.160.BL[05]) - VAR - 743722 - CAB INTERIOR TRIM - RIGHT SIDE - W/ MECHANICAL MID-MOUNT VALVE (90) - PLATFORM, CAB, BODYWORK AND DECALS
home
21
5
20
21
30
3
12
10
1
12
21
12
8
16
2
12
31
13
5
11
17
4
4
20
23
32
12
7
12
6
29
21
12
9
27
19
12
1
24
2
28
26
25
12
12
6
21
12
11
12
12
18
14
7
12
15
12
22
FIT
1:1
100%

Артикул

Название

Примечание

Количество

1

84315058

TRIM

1шт.

2

82023460

STUD,M7.85 x 19.50mm, Plastic

6шт.

3

84315044

SUPPORT

1шт.

4

84354393

PIN,18.8mm L

2шт.

5

84291986

CLIP,18.8mm L x 15.9mm W

2шт.

6

84354903

THRUST WASHER,10.2mm OD x 1mm Thk

2шт.

7

84345365

RUBBER SEAL,121.9mm L

1шт.

8

84529885

TRIM

ASSY, Incl 9, Years: -10-MAR-13

1шт.

With Mid Mount, Industrial Var. 334761 or Var. 334903 / Commercial Feature 743722

1шт.

8

84529939

TRIM

ASSY, Incl 9, Years: -10-MAR-13

1шт.

With Mid Mount, for FHPL-FPTO, Industrial Var. 334905 or Var. 334906 / Commercial Feature 743722

1шт.

8

47441347

TRIM

ASSY, Incl 9, Start Year: 11-MAR-13

1шт.

9

84529884

SHROUD

1шт.

10

86639317

WASHER,6.4mm ID x 13mm OD x 2mm Thk

2шт.

11

14183474

PUSH-ON NUT,M4, Push

5шт.

12

1983037

HEX SOC SCREW,Btn Hd Flg, M6 x 16mm, Cl 10.9

35шт.

13

84370119

BOOT

1шт.

14

84370123

COVER

1шт.

15

84370118

BOOT

1шт.

16

84370122

COVER

1шт.

17

84315023

TRIM

1шт.

18

86980360

BOLT,Hex, M6 x 1 x 20mm, Cl 8.8, Full Thd

Gray

2шт.

19

84370125

INSERT

1шт.

20

84292077

BRACKET

3шт.

21

14371774

SPRING NUT,M6, U, 12mm long

11шт.

22

84527606

SUPPORT

1шт.

23

15903801

SELF-TAP SCREW,Pozidriv Pan Hd, M4.8 x 1.6 x 13mm

4шт.

24

84527591

TRIM

1шт.

25

84315050

FILTER COVER

1шт.

26

84386208

UTILITY HOLDER

1шт.

27

84527601

BEZEL

1шт.

28

14369271

SPRING NUT,U, M6 x 16.20mm x 0.50mm Thk, ZND

4шт.

29

84370212

TRIM

1шт.

30

84311409

BRACKET

1шт.

31

47443197

DECAL

, Start Year: 11-MAR-13

1шт.

32

82032555

PLUG,129.5mm ID

, Start Year: 11-MAR-13

1шт.

With Mid Mount, Industrial Var. 334761 or Var. 334903 / Commercial Feature 743722

1шт.

Выбрано товаров: 37