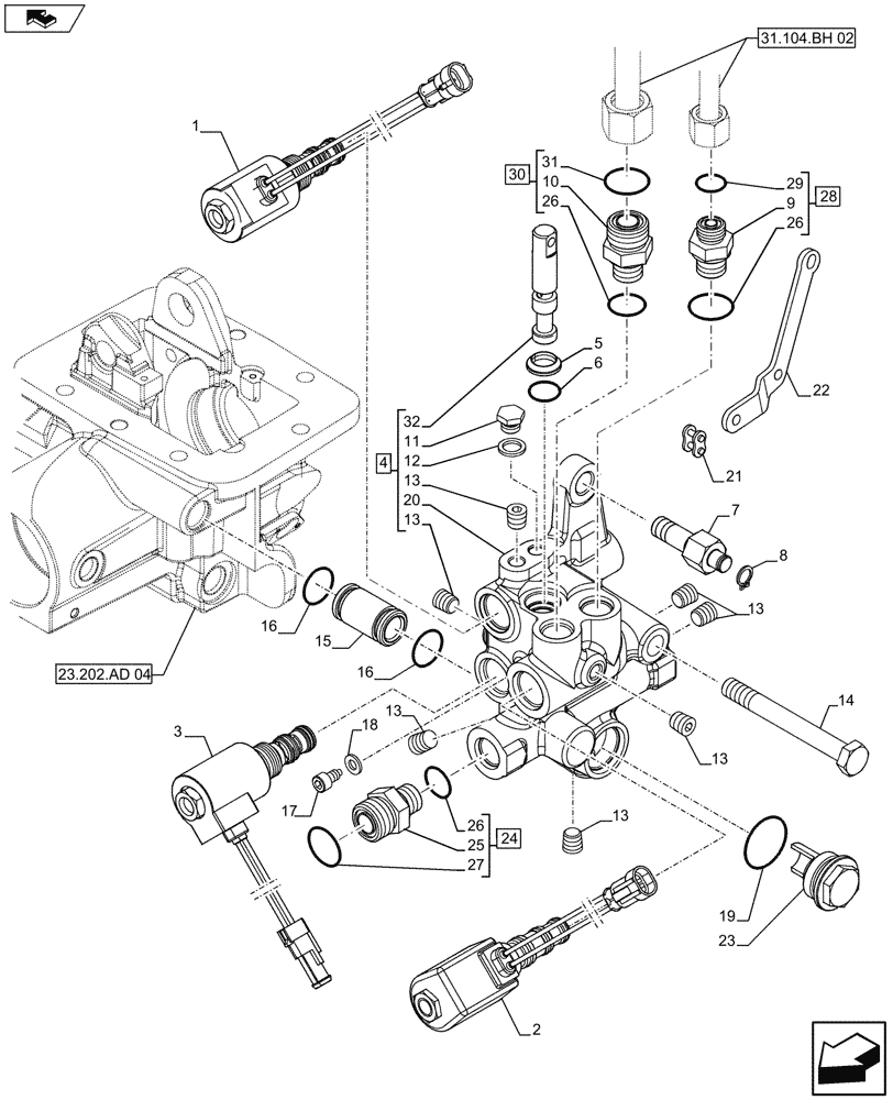
Запчасти Case IH FARMALL 105U (23.202.AJ[02]) - VAR - 743933 - DIFFERENTIAL LOCK, VALVE, ISO (23) - FOUR WHEEL DRIVE SYSTEM

Схема запчастей Case IH FARMALL 105U - (23.202.AJ[02]) - VAR - 743933 - DIFFERENTIAL LOCK, VALVE, ISO (23) - FOUR WHEEL DRIVE SYSTEM
23.202.ad 04
25
3
16
22
26
2
13
5
31.104.bh 02
4
12
21
13
home
10
26
32
1
18
11
9
26
13
16
home
29
27
7
15
14
20
19
13
30
28
24
13
31
23
17
8
6
13
FIT
1:1
100%

Артикул

Название

Примечание

Количество

1

87681748

SOLENOID,1.5A, 3W/2P

Differential Lock

1шт.

2

87681738

SOLENOID VALVE,3W/2P w/ Diode, 12V-19W

4WD

1шт.

3

87681749

SOLENOID VALVE,4W/2P w/ Diode, 12V-19W

PTO

1шт.

4

5174904

VALVE

ASSY, Incl 11 - 13, 20, 32

1шт.

5

5137965

SCRAPER RING

1шт.

6

14453280

O-RING,0.07" Thk x 0.551" ID, -15, Cl 5, 75 Duro

1шт.

7

47124612

SCREW

1шт.

8

11065976

CIRCLIP,M10, Ext

1шт.

9

NSS

NOT SOLD SEPARAT

Connector, Incl in 28

1шт.

10

NSS

NOT SOLD SEPARAT

Connector, Incl in 30

1шт.

11

11903114

PLUG,M10 x 1.25 x 11

1шт.

12

87316678

SEALING WASHER,10mm ID x 16mm OD x 2.3mm Thk

1шт.

13

14326004

PLUG,Hex Socket, M10 x 1.25 x 11.00mm, STL, DAC

7шт.

14

5166320

BOLT,Hex, M12 x 1.25 x 105mm, Cl 8.8

1шт.

15

5174926

PIPE COUPLING

1шт.

16

5135738

O-RING,0.103" Thk x 0.674" ID, -115, 80 Duro

2шт.

17

5166386

SET SCREW,M6 x 1 x 11.5mm, Cl 8.8

1шт.

18

10297860

SEAL,6mm ID x 12mm OD x 1.5mm Thk

1шт.

19

14438185

O-RING,24mm ID x 3mm

1шт.

20

NSS

NOT SOLD SEPARAT

Body, Incl in 4

1шт.

21

5166277

CHAIN LINK

1шт.

22

47124611

LEVER

1шт.

23

5174927

PLUG

1шт.

24

86579676

HYD CONNECTOR,13/16" - 16 ORFS x M18 x 1.5 ORB

ASSY, Incl 25, 26 (Qty1), 27

1шт.

25

NSS

NOT SOLD SEPARAT

Connector, Incl in 25

1шт.

26

86598101

O-RING,2.2mm Thk x 15.3mm ID, Cl 6, 90 Duro

3шт.

27

9992298

O-RING,0.07" Thk x 0.489" ID, -14, Cl 6, 90 Duro

1шт.

28

86579673

HYD CONNECTOR,11/16" - 16 ORFS x M18 x 1.5 ORB

ASSY, Incl 9, 26 (Qty1), 29

1шт.

29

9993141

O-RING,0.07" Thk x 0.364" ID, -12, Cl 6, 90 Duro

1шт.

30

86579679

HYD CONNECTOR,1"-14 ORFS x M18 x 1.5 ORB

ASSY, Incl 10, 26 (Qty1), 31

1шт.

31

9992069

O-RING,0.07" Thk x 0.614" ID, -16, Cl 6, 90 Duro

1шт.

32

NSS

NOT SOLD SEPARAT

Spool, Incl in 4

1шт.

Выбрано товаров: 32