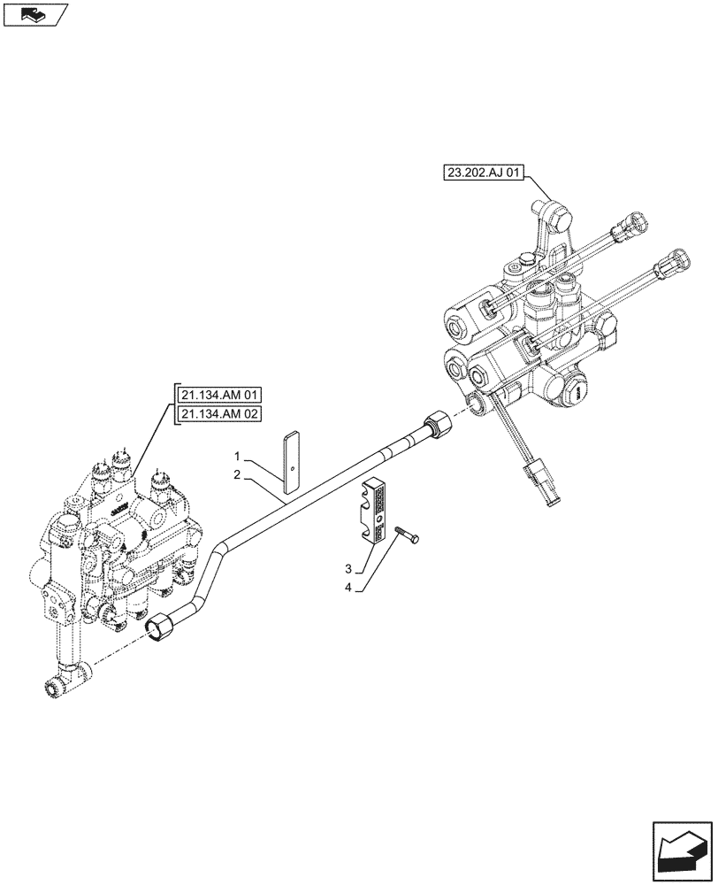
Запчасти Case IH FARMALL 105U (23.202.AN[01]) - STD + VAR - 390399 - 4WD, LUBRICATION LINE (23) - FOUR WHEEL DRIVE SYSTEM

Схема запчастей Case IH FARMALL 105U - (23.202.AN[01]) - STD + VAR - 390399 - 4WD, LUBRICATION LINE (23) - FOUR WHEEL DRIVE SYSTEM
2
1
4
21.134.am 02
23.202.aj 01
home
home
3
21.134.am 01
FIT
1:1
100%

Артикул

Название

Примечание

Количество

1

84423529

PLATE

1шт.

2

84482475

PIPE

Delivery, Control Valve

1шт.

3

84423528

CLIP,26mm H x 21mm Thk x 93mm L

1шт.

4

10903021

SCREW,Hex, M6 x 35mm, Cl 8.8

1шт.

Выбрано товаров: 0