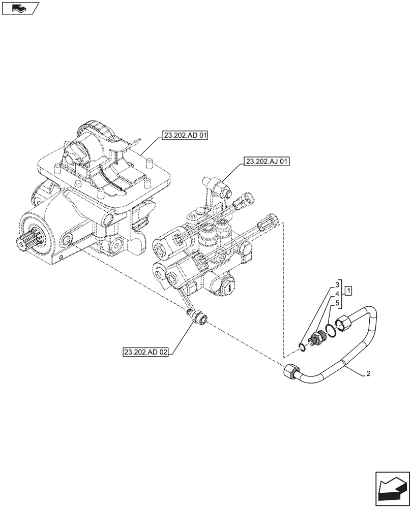
Запчасти Case IH FARMALL 105U (23.202.AN[02]) - 4WD, PIPE (23) - FOUR WHEEL DRIVE SYSTEM

Схема запчастей Case IH FARMALL 105U - (23.202.AN[02]) - 4WD, PIPE (23) - FOUR WHEEL DRIVE SYSTEM
3
23.202.ad 02
home
home
1
5
4
2
23.202.aj 01
23.202.ad 01
FIT
1:1
100%

Артикул

Название

Примечание

Количество

1

86579679

HYD CONNECTOR,1"-14 ORFS x M18 x 1.5 ORB

ASSY, Incl 3 - 5

1шт.

2

84561531

PIPE

4WD

1шт.

3

86598101

O-RING,2.2mm Thk x 15.3mm ID, Cl 6, 90 Duro

1шт.

4

NSS

NOT SOLD SEPARAT

Connector, Incl in 1

1шт.

5

9992069

O-RING,0.07" Thk x 0.614" ID, -16, Cl 6, 90 Duro

1шт.

Выбрано товаров: 0