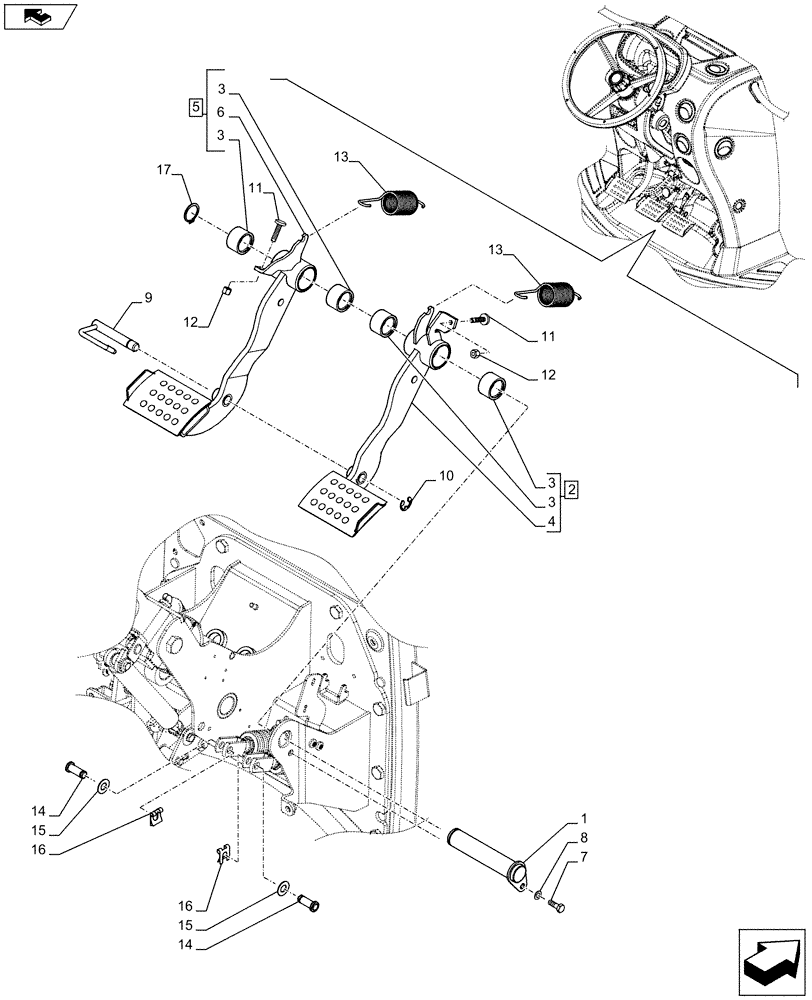
Запчасти Case IH FARMALL 105U (33.202.BN[01A]) - STD + VAR - 336606, 391606 - BRAKE PACKAGE, PEDAL - BEGIN YR 03-MAY-2014 (33) - BRAKES & CONTROLS

Схема запчастей Case IH FARMALL 105U - (33.202.BN[01A]) - STD + VAR - 336606, 391606 - BRAKE PACKAGE, PEDAL - BEGIN YR 03-MAY-2014 (33) - BRAKES & CONTROLS
home
3
14
16
2
12
14
15
15
10
3
16
3
11
9
17
8
11
13
5
1
12
4
3
7
13
6
FIT
1:1
100%

Артикул

Название

Примечание

Количество

1

84591943

ROD

1шт.

2

84467902

PEDAL

RH, ASSY, Incl 3 (Qty 2), 4

1шт.

3

5097550

BUSHING,25.4mm ID x 38mm OD x 22mm L

4шт.

4

NSS

NOT SOLD SEPARAT

Pedal, Incl in 2

1шт.

5

84467901

PEDAL

LH, ASSY, Incl 3 (Qty 2), 6

1шт.

6

NSS

NOT SOLD SEPARAT

Pedal, Incl in 5

1шт.

7

10902321

SCREW,Hex, M6 x 18mm, Cl 8.8, Full Thd

1шт.

8

12601274

WAVE WASHER,6.40mm ID x 12mm OD x 0.50mm, 2.60mm H, STL, DAC

1шт.

9

84392817

PIN,12mm OD x 80mm L

1шт.

10

11088180

CIRCLIP,M11, Stainless

1шт.

11

84280664

SCREW,M6 x 26mm L

2шт.

12

12574211

NUT,M6 x 1, Cl 8

2шт.

13

84537406

SPRING,Extension, 32mm OD x 124mm L

2шт.

14

84474043

PIN,8mm OD x 30mm L

2шт.

15

12601474

WAVE WASHER,Wave, 10.50mm ID x 21.00mm OD x 0.80mm, 3.00mm, CST, DAC

2шт.

16

11064176

CLIP,M10 x 8mm

2шт.

17

11067371

CIRCLIP,M25

1шт.

Выбрано товаров: 17