Запчасти Case IH FARMALL 105U (33.220.AC[07]) - VAR - 743517 - BRAKE VALVE, ISO (33) - BRAKES & CONTROLS

Схема запчастей Case IH FARMALL 105U - (33.220.AC[07]) - VAR - 743517 - BRAKE VALVE, ISO (33) - BRAKES & CONTROLS
33.220.ac 06
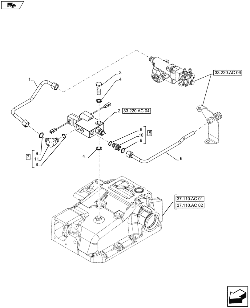
1
4
9
home
3
6
9
home
11
4
5
10
7
2
8
8
37.110.ac 02
33.220.ac 04
37.110.ac 01
FIT
1:1
100%

Артикул

Название

Примечание

Количество

1

84216774

TUBE

from Trailer Brake Valve to Brake Control Valve

1шт.

2

5196175

BRAKE VALVE

Brake, ASSY

1шт.

3

5197769

BANJO BOLT,M18 x 1.5 x 49mm

1шт.

4

5167640

SEALING WASHER,14.09mm ID x 26.45mm OD x 1.5mm Thk

2шт.

5

86579676

HYD CONNECTOR,13/16" - 16 ORFS x M18 x 1.5 ORB

ASSY, Incl 8 (Qty1), 9 (Qty 1), 10

1шт.

6

84411948

TUBE

Brake Control Valve to Trailer Brake Valve

1шт.

7

86579691

90 ELBOW,90 Degree, 13/16"-18 ORFS x M18 x 1.5 ORB

ASSY, Incl 8 (Qty1), 9 (Qty 1), 11

1шт.

8

86598101

O-RING,2.2mm Thk x 15.3mm ID, Cl 6, 90 Duro

2шт.

9

9992298

O-RING,0.07" Thk x 0.489" ID, -14, Cl 6, 90 Duro

2шт.

10

NSS

NOT SOLD SEPARAT

Connector, Incl in 5

1шт.

11

NSS

NOT SOLD SEPARAT

Elbow, Incl in 7

1шт.

Выбрано товаров: 11