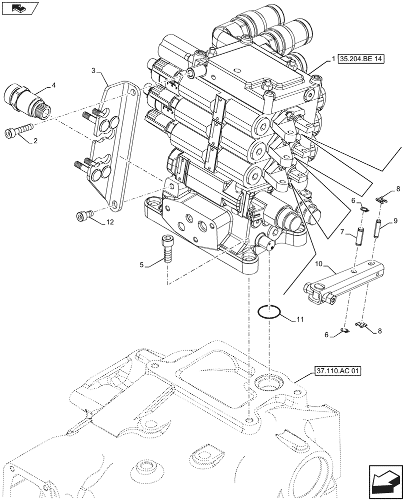
Запчасти Case IH FARMALL 105U (35.204.BE[13]) - VAR - 331844 - REMOTE CONTROL VALVE (4 REMOTES) (35) - HYDRAULIC SYSTEMS

Схема запчастей Case IH FARMALL 105U - (35.204.BE[13]) - VAR - 331844 - REMOTE CONTROL VALVE (4 REMOTES) (35) - HYDRAULIC SYSTEMS
37.110.ac 01
7
6
2
home
3
8
4
12
11
9
6
5
8
10
1
35.204.be 14
FIT
1:1
100%

Артикул

Название

Примечание

Количество

1

87311383

CONTROL VALVE

ASSY

1шт.

2

14306721

HEX SOC SCREW,M8 x 48mm, Cl 8.8

1шт.

3

47529959

BRACKET

1шт.

4

47125148

HYD CONNECTOR

1шт.

5

14307524

HEX SOC SCREW,M10 x 1.25 x 30mm, Cl 8.8, Full Thd

3шт.

6

11065676

SNAP RING,M8, Ext

6шт.

7

5113008

PIN,8mm OD x 26mm L

3шт.

8

11063971

SPRING CLIP,M6

6шт.

9

5193177

PIN,6mm OD x 29.48mm L

3шт.

10

84384199

LEVER

3шт.

11

14463881

O-RING,1.359" ID x 0.139" Width

1шт.

12

14306221

HEX SOC SCREW,M8 x 16mm, Cl 8.8, Full Thd

1шт.

Выбрано товаров: 12