Запчасти Case IH FARMALL 105U (37.100.AA[02]) - VAR - 330905 - DRAWBAR AND HITCH, DRAWBAR, NA (37) - HITCHES, DRAWBARS & IMPLEMENT COUPLINGS

Схема запчастей Case IH FARMALL 105U - (37.100.AA[02]) - VAR - 330905 - DRAWBAR AND HITCH, DRAWBAR, NA (37) - HITCHES, DRAWBARS & IMPLEMENT COUPLINGS
37.100.ab 02
1
home
37.120.av 01
21.120.ab 01
21.120.ab 02
37.100.ab 02
FIT
1:1
100%

Артикул

Название

Примечание

Количество

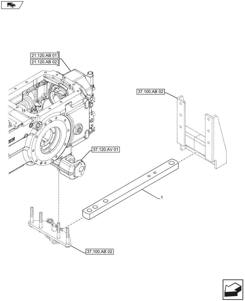
1

5180877

DRAWBAR,780mm L x 60mm W x 40mm Thk

1шт.

Выбрано товаров: 1