Запчасти Case IH FARMALL 105U (37.100.AB[05]) - VAR - 331918, 333918 - DRAWBAR AND HITCH, DRAWBAR, SUPPORT, ISO (33 MM HOLE/GERMANY) (37) - HITCHES, DRAWBARS & IMPLEMENT COUPLINGS

Схема запчастей Case IH FARMALL 105U - (37.100.AB[05]) - VAR - 331918, 333918 - DRAWBAR AND HITCH, DRAWBAR, SUPPORT, ISO (33 MM HOLE/GERMANY) (37) - HITCHES, DRAWBARS & IMPLEMENT COUPLINGS
6
2
home
5
7
21.120.ab 01
4
1
37.100.aa 04
37.120.ay 02
3
21.120.ab 02
37.120.av 01
FIT
1:1
100%

Артикул

Название

Примечание

Количество

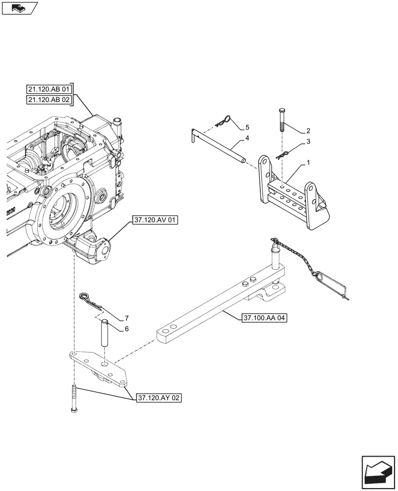
1

5199439

SUPPORT

1шт.

2

5181758

PIN,16mm OD x 119.5mm L

2шт.

3

82026318

COTTER PIN,1/8 x 2 5/16

1/8' x 2 - 5/16'

2шт.

4

44007661

COTTER PIN,33.2mm OD x 78mm L

2шт.

5

5117437

PIN,22mm OD x 325mm L

2шт.

6

82006933

PIN,28mm OD x 134mm L

1шт.

7

82000094

SPRING,40mm OD x 142mm L

1шт.

Выбрано товаров: 7