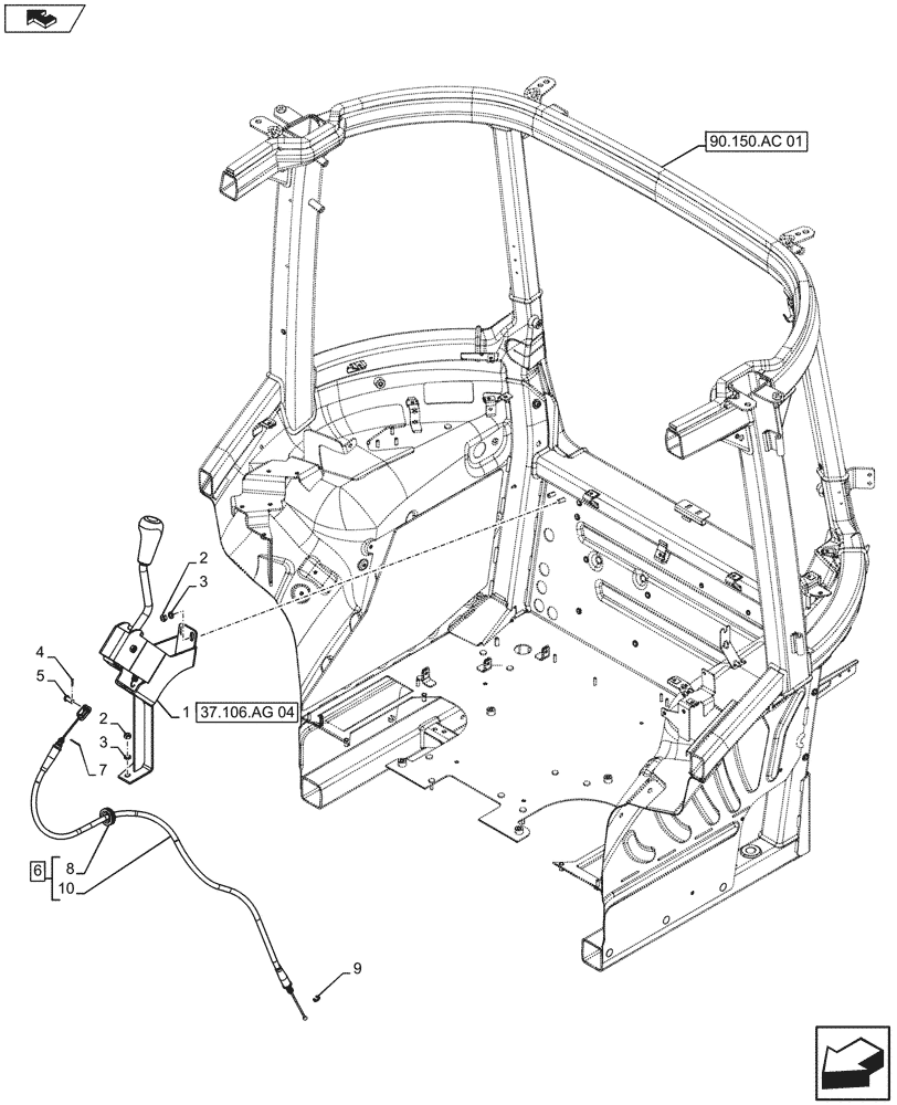
Запчасти Case IH FARMALL 105U (37.106.AG[01]) - VAR - 330935 - AUTOMATIC PICK-UP HITCH, CONTROL, ISO (37) - HITCHES, DRAWBARS & IMPLEMENT COUPLINGS

Схема запчастей Case IH FARMALL 105U - (37.106.AG[01]) - VAR - 330935 - AUTOMATIC PICK-UP HITCH, CONTROL, ISO (37) - HITCHES, DRAWBARS & IMPLEMENT COUPLINGS
90.150.ac 01
9
4
3
8
7
10
5
2
2
1
3
6
home
37.106.ag 04
FIT
1:1
100%

Артикул

Название

Примечание

Количество

1

47404675

CONTROL

ASSY

1шт.

2

16100811

NUT,Hex, M8, 6.80mm, Cl 8, ZND

3шт.

3

11193874

BELLEVILLE WASHER,M8 Bolt Size x 16mm OD x 1.4mm Thk

3шт.

4

10794401

COTTER PIN,M2 x 10

2шт.

5

10040711

CLEVIS PIN,8mm OD x 18mm L

2шт.

6

47578839

THROTTLE CONTROL

ASSY, Incl 8, 10

1шт.

7

11087374

CIRCLIP,M13

1шт.

8

84325372

GROMMET,9mm ID x 30mm OD x 9mm L

1шт.

9

11087971

CIRCLIP,M8

1шт.

10

NSS

NOT SOLD SEPARAT

Cable, Incl in 6

1шт.

Выбрано товаров: 10