Запчасти Case IH FARMALL 105U (37.110.AE[07]) - VAR - 332953 - TOP LINK, COMPONENTS, ISO (37) - HITCHES, DRAWBARS & IMPLEMENT COUPLINGS

Схема запчастей Case IH FARMALL 105U - (37.110.AE[07]) - VAR - 332953 - TOP LINK, COMPONENTS, ISO (37) - HITCHES, DRAWBARS & IMPLEMENT COUPLINGS
3
4
7
7
7
8
7
1
7
2
7
5
7
6
9
home
FIT
1:1
100%

Артикул

Название

Примечание

Количество

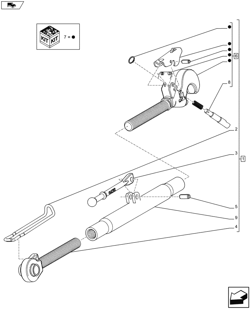
1

47367779

TOP LINK

ASSY, Incl 2 - 6, 9

1шт.

2

5140619

SPRING,215mm L

1шт.

3

47367634

LEVER

1шт.

4

5143008

LINK,M30 x 3

1шт.

5

14174371

LOCK PIN,M12 x 30, Slotted

1шт.

6

87695689

HOOK

ASSY, Incl 7, 8

1шт.

7

87699051

KIT

1шт.

8

87699052

PIN

1шт.

9

5133112

ADJUSTING SLEEVE

1шт.

Выбрано товаров: 9