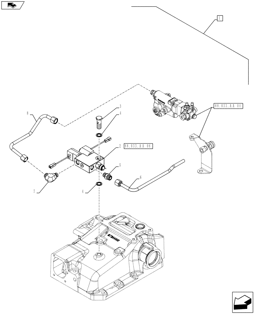
Запчасти Case IH FARMALL 105U (88.033.AA[07]) - DIA KIT, TRAILER BRAKE VALVE (88) - ACCESSORIES

Схема запчастей Case IH FARMALL 105U - (88.033.AA[07]) - DIA KIT, TRAILER BRAKE VALVE (88) - ACCESSORIES
88.033.aa 04
4
8
7
6
3
1
5
2
4
home
88.033.aa 06
FIT
1:1
100%

Артикул

Название

Примечание

Количество

1

710414051

DIA KIT, TRACTOR

Hydraulic trailer brake (Italy) for Close Center Rear Mechanical Control Valves, Incl 2 - 8, Serial Range: -`0

1шт.

Refer to Installation Instructions for Correct Assembly Procedure,See also fig. 88.033.AA 06, 88.033.AA 08

1шт.

2

5196175

BRAKE VALVE

1шт.

3

5197769

BANJO BOLT,M18 x 1.5 x 49mm

1шт.

4

5167640

SEALING WASHER,14.09mm ID x 26.45mm OD x 1.5mm Thk

1шт.

5

86579676

HYD CONNECTOR,13/16" - 16 ORFS x M18 x 1.5 ORB

2шт.

6

84411948

TUBE

1шт.

7

86579691

90 ELBOW,90 Degree, 13/16"-18 ORFS x M18 x 1.5 ORB

1шт.

8

84216774

TUBE

1шт.

Выбрано товаров: 0