Запчасти Case IH FARMALL 105U (88.037.AA[04]) - DIA KIT - SWINGING DRAWBAR - ISO (88) - ACCESSORIES

Схема запчастей Case IH FARMALL 105U - (88.037.AA[04]) - DIA KIT - SWINGING DRAWBAR - ISO (88) - ACCESSORIES
37.100.aa 03
6
4
10
2
12
5
11
8
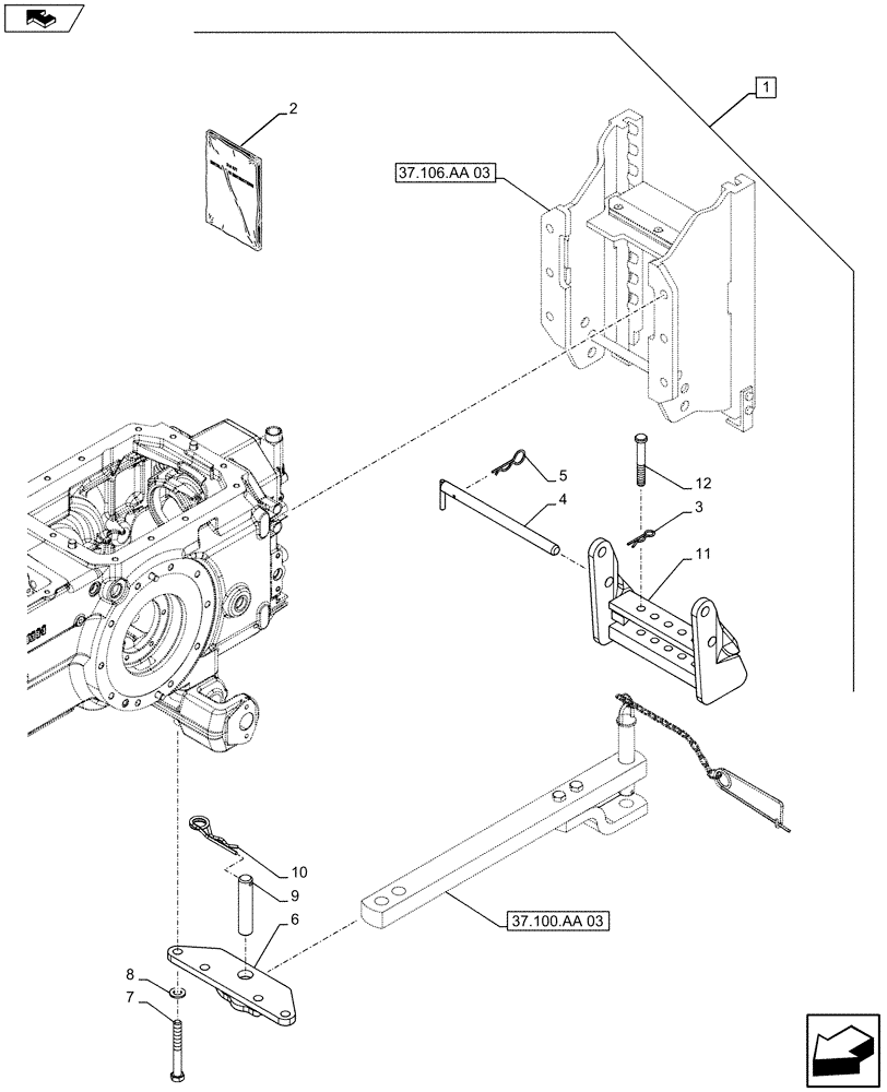
1
3
7
9
37.106.aa 03
home
FIT
1:1
100%

Артикул

Название

Примечание

Количество

1

719912040

DIA KIT, TRACTOR

Swinging Drawbar 33mm, Incl 2 - 12

1шт.

Refer to Installation Instructions for Correct Assembly Procedure

1шт.

See also fig. 88.037.AA 05, 88.037.AA 06

1шт.

2

84291622

INSTRUCTION

1шт.

3

82026318

COTTER PIN,1/8 x 2 5/16

2шт.

4

5117437

PIN,22mm OD x 325mm L

2шт.

5

44007661

COTTER PIN,33.2mm OD x 78mm L

2шт.

6

82003409

BRACKET

1шт.

7

15864334

BOLT,Hex, M16 x 1.5 x 130mm, Cl 10.9

4шт.

8

11194274

BELLEVILLE WASHER,M16 Bolt Size x 32mm OD x 3.4mm Thk

4шт.

9

82006933

PIN,28mm OD x 134mm L

1шт.

10

82000094

SPRING,40mm OD x 142mm L

1шт.

11

5199439

SUPPORT

1шт.

12

5181758

PIN,16mm OD x 119.5mm L

2шт.

Выбрано товаров: 0