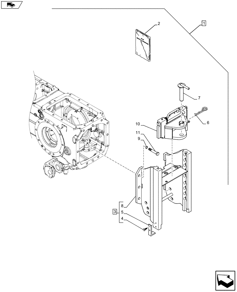
Запчасти Case IH FARMALL 105U (88.037.AA[07]) - DIA KIT - CAT. C SLIDER TYPE TRAILER HITCH WITH SUPPORT - ISO (88) - ACCESSORIES

Схема запчастей Case IH FARMALL 105U - (88.037.AA[07]) - DIA KIT - CAT. C SLIDER TYPE TRAILER HITCH WITH SUPPORT - ISO (88) - ACCESSORIES
home
3
6
9
5
11
7
2
8
1
10
4
FIT
1:1
100%

Артикул

Название

Примечание

Количество

1

710928050

DIA KIT, TRACTOR

Cat. C Slider Type Trailer Hitch With Support, Incl 2 - 11

1шт.

Refer to Installation Instructions for Correct Assembly Procedure

1шт.

See also fig. 88.037.AA 08

1шт.

2

84291624

INSTRUCTION

1шт.

3

84489553

FRAME

1шт.

4

15970524

BOLT,Hex, M10 x 1.25 x 20mm, Cl 8.8, Full Thd

4шт.

5

5199462

BRACKET

2шт.

6

82000094

SPRING,40mm OD x 142mm L

1шт.

7

82016898

HITCH PIN

1шт.

8

NSS

NOT SOLD SEPARAT

1шт.

9

11194274

BELLEVILLE WASHER,M16 Bolt Size x 32mm OD x 3.4mm Thk

6шт.

10

5199458

TOW HOOK

1шт.

11

15981834

BOLT,Hex, M16 x 1.5 x 120mm, Cl 10.9

6шт.

Выбрано товаров: 0