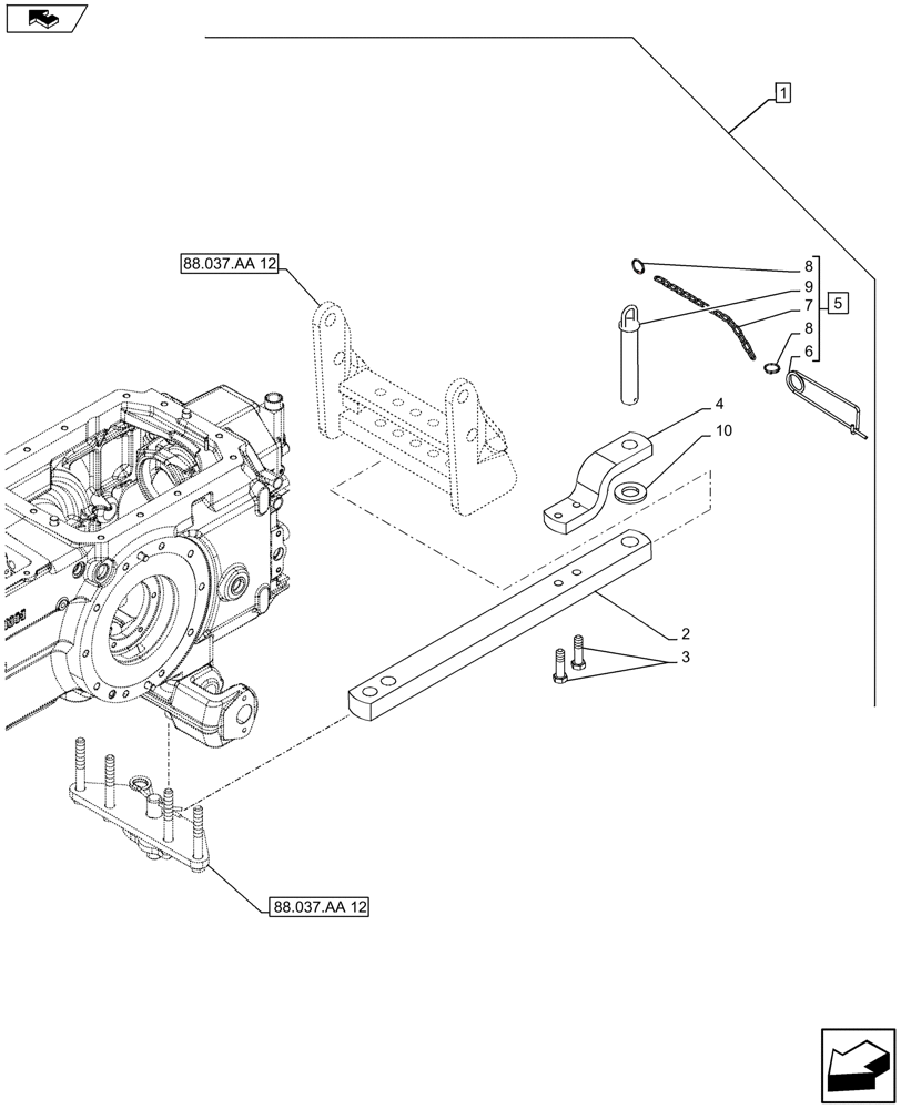
Запчасти Case IH FARMALL 105U (88.037.AA[13]) - DIA KIT - SWINGING DRAWBAR W/33MM HOLE - ISO (88) - ACCESSORIES

Схема запчастей Case IH FARMALL 105U - (88.037.AA[13]) - DIA KIT - SWINGING DRAWBAR W/33MM HOLE - ISO (88) - ACCESSORIES
88.037.aa 12
6
7
10
8
1
4
9
5
2
3
8
home
88.037.aa 12
FIT
1:1
100%

Артикул

Название

Примечание

Количество

1

719912050

DIA KIT, TRACTOR

Swinging Drawbar W/33mm Hole, Incl 2 - 10

1шт.

Refer to Installation Instruction for Correct Assembly Procedure

1шт.

See Also Fig. 88.037.AA [12], 88.037.AA [14]

1шт.

2

5180877

DRAWBAR,780mm L x 60mm W x 40mm Thk

1шт.

3

11119133

BOLT,Hex, M16 x 60, 10.9, Full Thd

2шт.

4

82010169

CLEVIS,251mm L x 60mm W x 25mm Thk, 70mm Offset

1шт.

5

5163732

PIN,32mm OD x 182mm L

ASSY, Incl 6 - 9

1шт.

6

5152004

HAIR PIN COTTER,195mm L

1шт.

7

596063

LINK CHAIN,13 Links x 18mm = 234mm L

1шт.

8

44901192

SNAP RING,25mm ID

1шт.

9

NSS

NOT SOLD SEPARAT

Pin, Incl in 5

1шт.

10

82005365

WASHER

1шт.

Выбрано товаров: 0