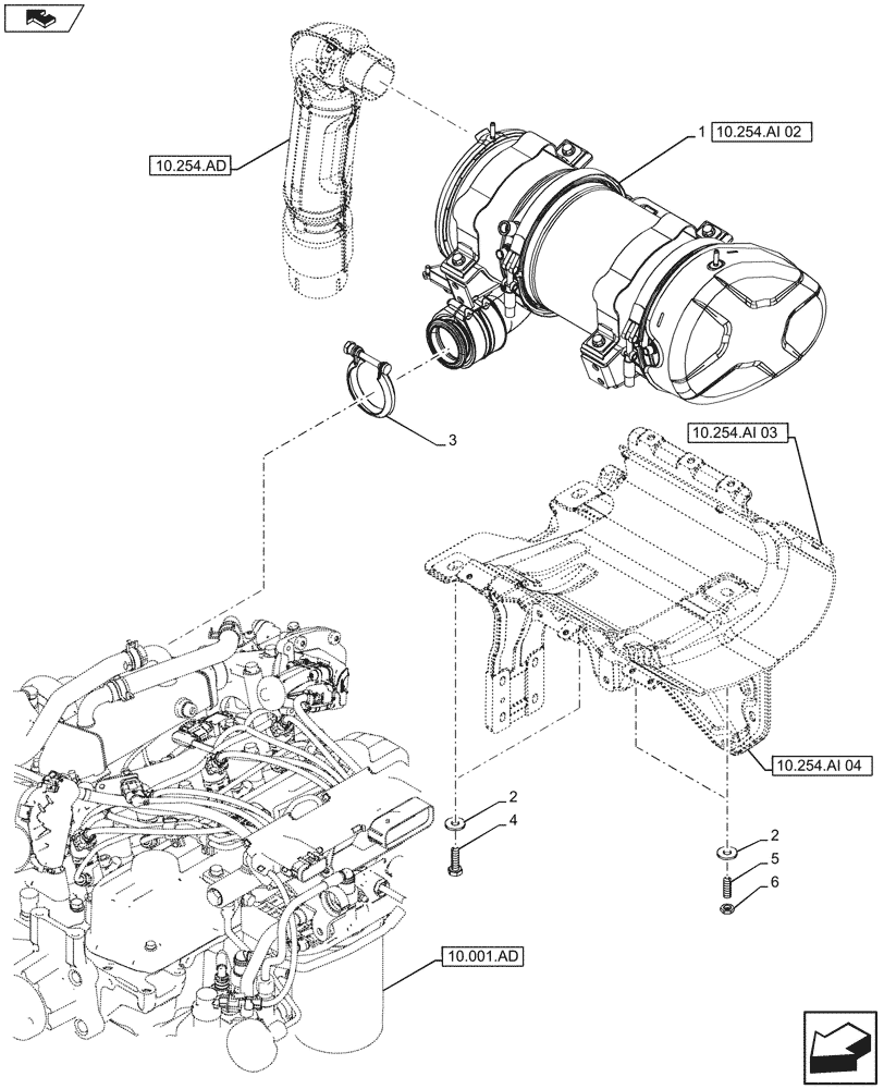
Запчасти Case IH FARMALL 105U (10.254.AI[01]) - STD + VAR - 390446 - MUFFLER, MOUNTING (10) - ENGINE

Схема запчастей Case IH FARMALL 105U - (10.254.AI[01]) - STD + VAR - 390446 - MUFFLER, MOUNTING (10) - ENGINE
2
10.254.ai 03
10.001.ad
10.254.ai 04
10.254.ai 02
6
10.254.ad
4
3
1
2
home
5
home
FIT
1:1
100%

Артикул

Название

Примечание

Количество

1

47623646

MUFFLER,DOC and W/DPF

ASSY

1шт.

2

11198479

BELLEVILLE WASHER,M10 Bolt Size x 27mm OD

4шт.

3

84347394

COLLAR CLAMP,63.5mm - 70mm

1шт.

4

11106634

BOLT,Hex, M10 x 35mm, Cl 10.9, Full Thd

2шт.

5

47419845

STUD

2шт.

6

86500689

NUT,M10 x 1.5, Cl 10

2шт.

Выбрано товаров: 6