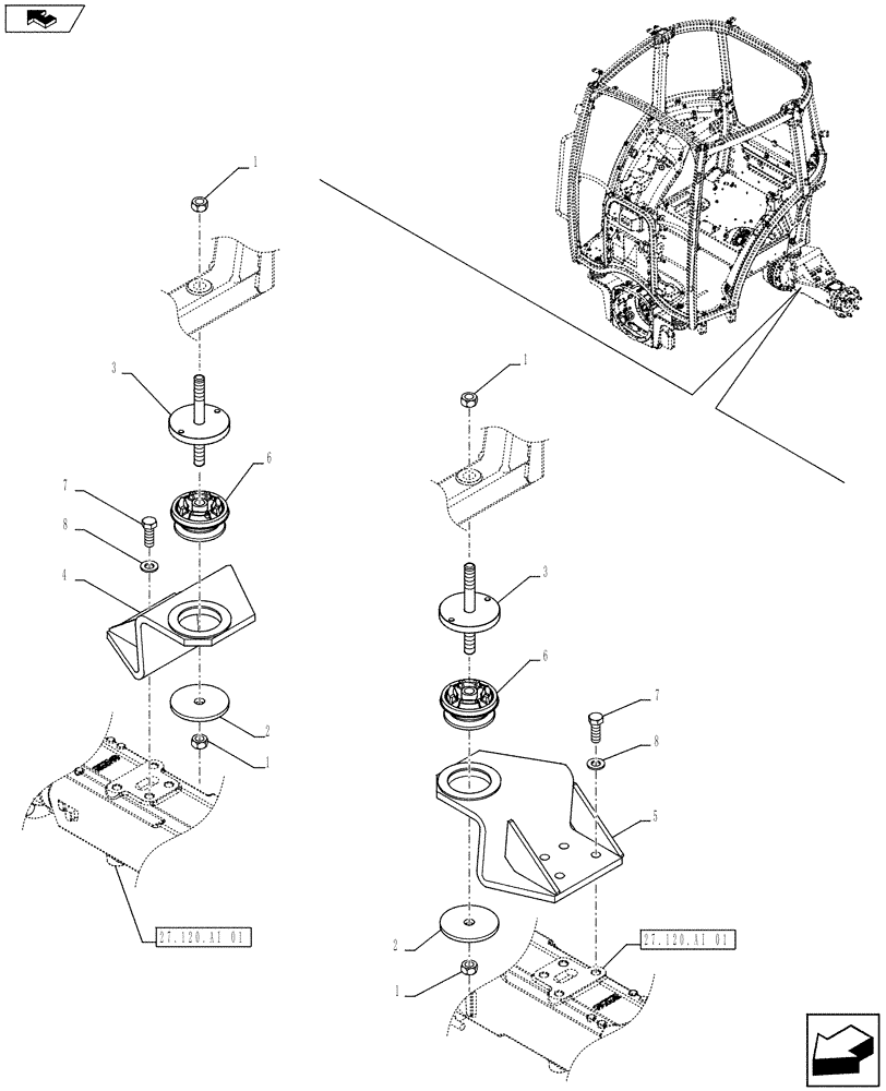
Запчасти Case IH FARMALL 105U (90.150.BB[02]) - STD + VAR - 336606, 391606 - CAB SUPPORT - REAR (90) - PLATFORM, CAB, BODYWORK AND DECALS

Схема запчастей Case IH FARMALL 105U - (90.150.BB[02]) - STD + VAR - 336606, 391606 - CAB SUPPORT - REAR (90) - PLATFORM, CAB, BODYWORK AND DECALS
27.120.ai 01
6
1
3
7
4
1
6
3
1
8
5
8
7
2
2
1
home
27.120.ai 01
FIT
1:1
100%

Артикул

Название

Примечание

Количество

1

86015195

NUT,M20 x 1.5, Cl 10

4шт.

2

87302042

SPACER,21mm ID x 120mm OD x 8.7mm L

2шт.

3

84355204

SPACER

2шт.

4

84408100

SUPPORT

Rear RH, Black

1шт.

5

84408104

SUPPORT

Rear LH, Black

1шт.

6

83983548

ISOLATOR,120mm OD x 64mm L

2шт.

7

15984324

SCREW,Hex, M18 x 1.5 x 50mm, Cl 8.8, Full Thd

8шт.

8

11191679

BELLEVILLE WASHER,M18 Bolt Size x 36mm OD x 4.2mm Thk

8шт.

Выбрано товаров: 8