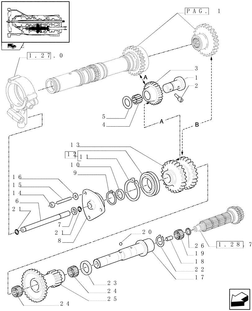
Запчасти Case IH FARMALL 105U (1.28.1/06[02]) - 20X20 POWER SHUTTLE TRANSMISSION WITH CREEPER - REVERSER DRIVEN SHAFT AND GEARS (VAR.330299-331299-332299-333299) (03) - TRANSMISSION

Схема запчастей Case IH FARMALL 105U - (1.28.1/06[02]) - 20X20 POWER SHUTTLE TRANSMISSION WITH CREEPER - REVERSER DRIVEN SHAFT AND GEARS (VAR.330299-331299-332299-333299) (03) - TRANSMISSION
2
1.27.0
16
22
4
21
11
17
20
21
7
1.28.7/06
25
5
26
15
24
14
24
19
12
23
3
pag. 1
home
10
8
18
6
9
1
13
FIT
1:1
100%

Артикул

Название

Примечание

Количество

1

5137525

PIN

1шт.

2

5109695

THREADED ROD

M10 x 1.25

1шт.

3

5137524

IDLER GEAR

1шт.

4

5117559

NEEDLE BEARING CAGE,32mm ID x 38mm OD x 26mm W

32 x 38 x 26

1шт.

5

5117560

THRUST WASHER,32.01mm ID x 48mm OD x 4.5mm Thk

1шт.

6

87343444

RIGID TUBE,10 mm ID x 15.60 mm OD x 168 mm L

1шт.

7

11066376

SNAP RING,M15, Ext

D=15

1шт.

8

87343448

COVER

1шт.

9

5109282

CIRCLIP,M35, Ext x 2.50 Thk

D=35

1шт.

10

5154308

THRUST WASHER,35.1mm ID x 43mm OD x 2mm Thk

35.1 x 43 x 2

1шт.

11

5127690

SNAP RING

D=82

1шт.

12

28995880

BALL BEARING,35mm ID x 80mm OD x 21mm W

35 x 80 x 21

1шт.

13

87343438

GEAR

Z=42, Z=36

1шт.

14

16100811

NUT,Hex, M8, 6.80mm, Cl 8, ZND

M8

3шт.

15

13517210

STUD

M8 x 12

3шт.

16

11193874

BELLEVILLE WASHER,M8 Bolt Size x 16mm OD x 1.4mm Thk

3шт.

17

84162069

DRIVEN SHAFT

ASSY, Incl.18-21

1шт.

18

14606870

LOCK PIN,M8 x 28, Slotted

1шт.

19

5107311

NEEDLE BEARING,28mm ID x 35mm OD x 27mm W

28 x 35 x 27

1шт.

20

83416928

BALL,1/4 OD

1шт.

21

14453182

O-RING,0.07" Thk x 0.489" ID, -14, Cl 9, 70 Duro

1шт.

22

11068876

SNAP RING,M40, Ext

D=40

1шт.

23

5175973

THRUST WASHER

1шт.

24

5109747

NEEDLE BEARING,42mm ID x 47mm OD x 27mm W

42 x 47 x 27

2шт.

25

5175974

GEAR

1шт.

26

5141500

RING,28.2mm ID x 34.5mm OD x 1mm Thk

1шт.

Выбрано товаров: 26