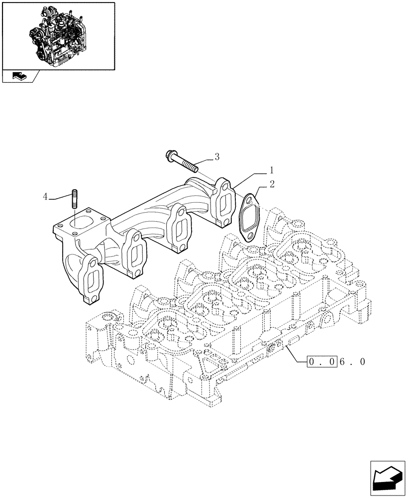
Запчасти Case IH FARMALL 105U (0.07.7) - EXHAUST MANIFOLD (01) - ENGINE

Схема запчастей Case IH FARMALL 105U - (0.07.7) - EXHAUST MANIFOLD (01) - ENGINE
2
1
0.06.0
home
3
4
FIT
1:1
100%

Артикул

Название

Примечание

Количество

1

2831203

EXHAUST MANIFOLD

1шт.

2

2830445

MANIFOLD GASKET

4шт.

3

2852834

SCREW,Hex Flg, M10 x 1.5 x 40mm

M10X1,5X40

8шт.

4

4899119

STUD,M8 x 1.25 x 40

4шт.

Выбрано товаров: 4