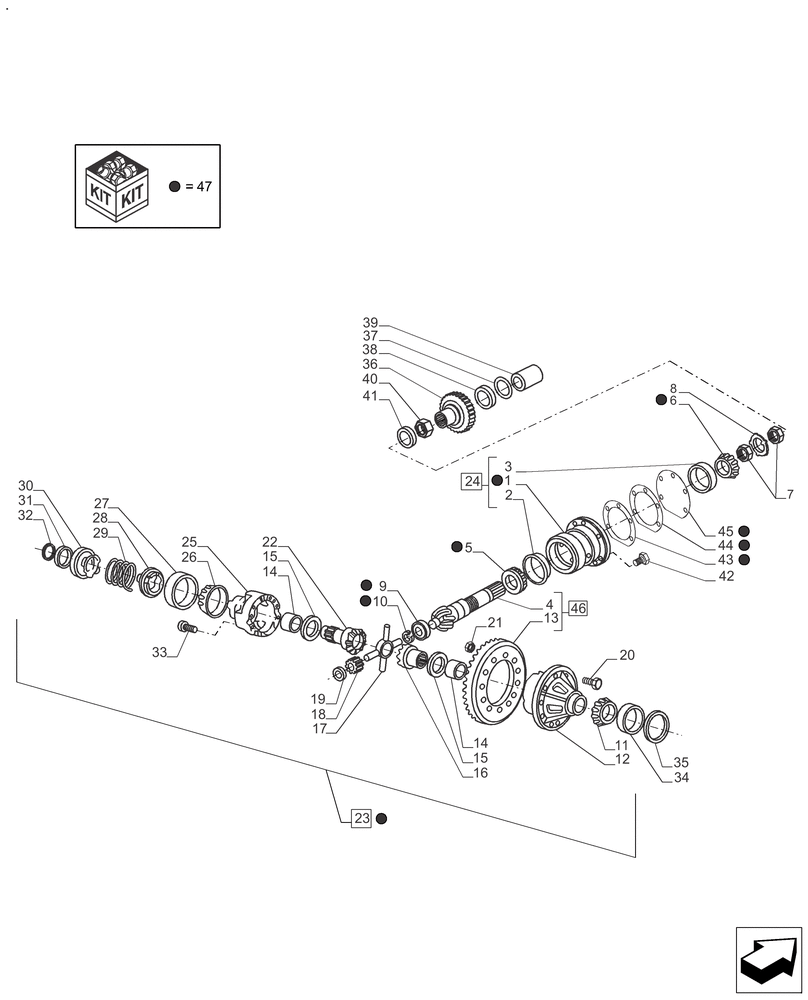
Запчасти Case IH FARMALL 110A (27.106.AC) - REAR AXLE - DIFFERENTIAL & RELATED PARTS (27) - REAR AXLE SYSTEM

Схема запчастей Case IH FARMALL 110A - (27.106.AC) - REAR AXLE - DIFFERENTIAL & RELATED PARTS (27) - REAR AXLE SYSTEM
39
9
37
43
7
14
20
46
5
47
2
6
47
35
12
19
42
14
29
47
4
34
15
47
23
27
3
47
28
47
1
21
47
24
17
15
25
10
33
13
38
22
26
47
47
40
32
11
45
8
47
41
16
44
47
36
18
31
30
FIT
1:1
100%

Артикул

Название

Примечание

Количество

1

82980433

RETAINER

STD Duty, 4 Cyl.

1шт.

1

73336838

RETAINER

Heavy Duty 4/6 Cyl., Years: -16-APR-13

1шт.

1

47495116

RETAINER

Retainer Assy, Heavy Duty 6 Cyl., Start Year: 16-APR-13

1шт.

2

86017029

BEARING CUP,111.13mm OD x 20.64mm W

1шт.

3

81812385

BEARING ASSY,88.92mm OD x 23.07mm W

Pinion

1шт.

4

NSS

NOT SOLD SEPARAT

Gear - Rear Axle Drive Pinion, STD Duty, Incl in 46

1шт.

4

NSS

NOT SOLD SEPARAT

Gear, Rear Axle Pinion, Heavy Duty, Incl in 46

1шт.

5

83992835

BEARING ASSY

& Cone Assy, Rear

1шт.

6

81845711

BEARING ASSY

Tapered Roller

1шт.

7

82983637

BEARING LOCK NUT,1 5/8"-20 x 5mm Thk

Pinion (Mudder)

1шт.

7

82983638

LOCK NUT,1 5/8"-20 x 10mm Thk

Pinion (Mudder)

1шт.

8

81803550

LOCK WASHER,41.71mm ID x 66.55mm OD x 2.16mm Thk

1шт.

9

81824478

BEARING ASSY,30mm ID x 62mm OD x 19.05mm W

Drive Pinion Pilot

1шт.

9

73338048

BALL BEARING

ROLLING 25X62X17, Heavy Duty

1шт.

10

81803542

RING,1.186" ID

1шт.

10

11067374

CIRCLIP,M25

Heavy Duty

1шт.

11

510884

BEARING CONE,66.69mm ID x 30.05mm W

RH

1шт.

12

82959482

HOUSING

Housing Assy, LH

1шт.

13

NSS

NOT SOLD SEPARAT

Gear Rear Axle Driven, STD Duty, Incl in 46

1шт.

13

NSS

NOT SOLD SEPARAT

Gear Crown, Rear Axle, Heavy Duty, Incl in 46

1шт.

14

81800471

BUSHING,72.08mm ID x 75.21mm OD x 31.75mm L

Gear Case RH, Differential

2шт.

15

81803424

THRUST WASHER,76.2mm ID x 101.6mm OD x 1.58mm Thk

2шт.

16

81803445

GEAR,38 Teeth

RH

1шт.

17

81876885

SPIDER,28.4mm Cap Dia, 179.3mm L

1шт.

18

81728114

PINION,9 Teeth

4шт.

19

83989915

THRUST WASHER,1" x 2" x .060" Thk

4шт.

20

83957533

SCREW,Pan HD, 1/2" - 20 x 1-5/8", Gr 8

12шт.

21

83417169

NUT,1/2"-20, GA

12шт.

22

81803451

GEAR,27 Teeth

LH

1шт.

23

73338742

DIFFERENTIAL

Gear & Differential Lock Assy., with Bolts - STD, Incl 4, 11 - 22, 25 - 33

1шт.

23

73337021

DIFFERENTIAL

ASSY, Gear & Differential Lock Assy., Heavy Duty, Incl 4, 11 - 22, 25 - 33, Years: -16-APR-13

1шт.

Replace with PN 47517563

1шт.

23

47495111

DIFFERENTIAL

Differential Assy, Gear & Differential Lock, Heavy Duty 6 Cyl. Incl. 11 - 12,14 - 22, 26, 28 - 29, 31, 34, 46, Start Year: 16-APR-13

1шт.

24

82980433

RETAINER

Incl 1 - 3

1шт.

25

82959493

HOUSING

Housing Assy, RH

1шт.

26

81803413

ROLLER BEARING,107.95mm ID x 21.44mm W

LH

1шт.

27

81803420

BEARING CUP,158.75mm OD x 15.88mm W

LH, Rear Axle

1шт.

28

81800472

ADAPTER

Differential Lock Gear Case

1шт.

29

81800474

SPRING

Differential Lock Coupler

1шт.

30

81812261

ADAPTER

COUPLING-RR AX DIFF LK

1шт.

31

81800475

WASHER,64.64mm ID x 78.74mm OD x 3.25mm Thk

Stop

1шт.

32

81803474

SNAP RING,2.37" ID

1шт.

33

83994579

LOCK BOLT,1/2" - 13 x 2-7/8", Gr 8

8шт.

34

82959375

BEARING ASSY,112.74mm OD x 23.85mm W

RH, Rear Axle

1шт.

35

81803516

SHIM,96.52mm ID x 111.76mm OD x 1.17mm Thk

1шт.

35

81803517

SHIM,96.52mm ID x 111.76mm OD x 1.32mm Thk

1шт.

35

81803518

SHIM,96.52mm ID x 111.76mm OD x 1.47mm Thk

1шт.

35

81803519

SHIM,96.52mm ID x 111.76mm OD x 1.63mm Thk

1шт.

35

81803520

SHIM,96.52mm ID x 111.76mm OD x 1.78mm Thk

1шт.

35

81803521

SHIM,96.52mm ID x 111.76mm OD x 1.93mm Thk

1шт.

35

81803522

SHIM,96.52mm ID x 111.76mm OD x 2.08mm Thk

1шт.

36

73337094

GEAR

DROP BOX, ASSY 32 T (110 & 120 HP)

1шт.

36

73337095

GEAR

DROP BOX, ASSY 38 T (130 & 140 HP)

1шт.

37

83927784

SHIM,38.23mm ID x 50.5mm OD x 0.48mm Thk

4WD (MUDDER)

1шт.

38

133066

SNAP RING,#150, Ext

4WD (MUDDER)

1шт.

39

83927052

COUPLING,4.90" L

2WD/4WD

1шт.

39

81871527

COUPLING,27T

Heavy Duty

1шт.

40

82982044

BEARING LOCK NUT

Nut, Pinion, Lock 2WD

2шт.

41

81815991

THRUST WASHER,38.73mm ID x 57.15mm OD x 3.17mm Thk

Washer, Pinion Adjust

1шт.

42

81821254

BOLT,Hex, 9/16" - 12 x 1 1/4", Gr 5

4шт.

43

47432863

SHIM

Shim 0.15 mm, Heavy Duty 6 Cyl, Start Year: 16-APR-13

1шт.

44

47432864

SHIM

Shim 0.20 mm, Heavy Duty 6 Cyl, Start Year: 16-APR-13

1шт.

45

47432865

SHIM

Shim 0.50 mm, Heavy Duty 6 Cyl, Start Year: 16-APR-13

1шт.

46

82011811

GEAR SET

STD Duty, Incl 4, 13

1шт.

46

47495369

GEAR

Gear Set 7/37, Heavy Duty, Incl 4, 13, Start Year: 16-APR-13

1шт.

47

47517563

DIFFERENTIAL

Differential Kit Spares, Incl 1, 5 - 6, 9 - 10, 23, 43 - 45, Start Year: 16-APR-13

1шт.

Выбрано товаров: 66