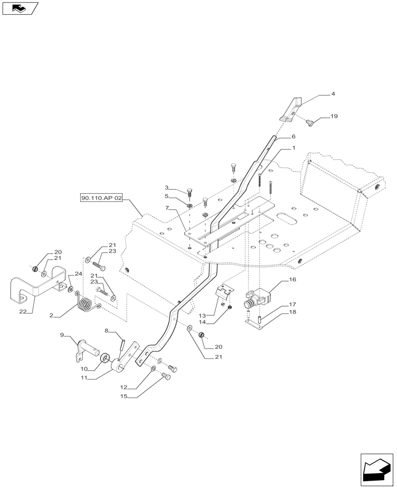
Запчасти Case IH FARMALL 110A (31.101.AB) - LEVER - PTO CONTROL, ROPS (31) - IMPLEMENT POWER TAKE OFF

Схема запчастей Case IH FARMALL 110A - (31.101.AB) - LEVER - PTO CONTROL, ROPS (31) - IMPLEMENT POWER TAKE OFF
12
11
1
21
20
15
6
21
23
21
19
24
10
14
5
13
90.110.ap 02
20
21
2
3
16
4
18
23
05.100.03 01
7
9
8
22
17
FIT
1:1
100%

Артикул

Название

Примечание

Количество

1

7121438

BOLT,Hex, M4 x 0.7 x 35mm, Cl 8.8, Full Thd

4шт.

2

73335239

TORSION SPRING

1шт.

3

86508568

BOLT,Hex, M6 x 1 x 16mm, Cl 8.8

3шт.

4

82984389

KNOB

PTO Handle Control

1шт.

5

83935046

LOCK WASHER,Helical Spring, 1/4" ID x 0.489" OD x 0.062" Thk

3шт.

6

73336934

CONTROL LEVER

Lever PTO Control

1шт.

7

73337183

CONTROL LEVER

Guide-Lever Control PTO

1шт.

8

300868

ROLL PIN,6mm OD x 36mm L, Slotted

1шт.

9

83903402

ARM

Lever PTO Actuating

1шт.

10

82983466

O-RING,15.5mm ID x 2.46mm Width

1шт.

11

81874562

ARM

Power Take off Control Handle

1шт.

12

83990583

LOCK WASHER,M8 x 14.8mm OD x 2.1mm Thk

2шт.

13

82988757

HINGE

Hinge

1шт.

14

10720821

NUT

2шт.

15

16043224

BOLT,Hex, M8 x 16mm, Cl 8.8

2шт.

16

83961542

SWITCH

Warning PTO

1шт.

17

81866074

SPACER

PTO

2шт.

18

81866073

PLATE

PTO, Control Retaining

1шт.

19

82861101

SCREW,Phil Oval Hd, Csk, M6 x 10mm, Cl 4.8, Full Thd

M6X1.0X10 G4.8

1шт.

20

86500688

NUT,Hex, M6 x 1.0, Cl 10.9

2шт.

21

83926806

WASHER,1/4", SAE

4шт.

22

47447705

SUPPORT

Support TS Spring PTO Lever

1шт.

23

120100

BOLT,M6 x 20mm, Cl 8.8

2шт.

24

83916712

WASHER,0.31" ID x 0.88" OD x 0.07" Thk

, Start Year: 08-MAR-13

1шт.

Выбрано товаров: 24