Запчасти Case IH FARMALL 110A (33.202.AP[02]) - CONTROL - BRAKES (33) - BRAKES & CONTROLS

Схема запчастей Case IH FARMALL 110A - (33.202.AP[02]) - CONTROL - BRAKES (33) - BRAKES & CONTROLS
33.110.aj
3
7
6
5
1
2
8
4
8
1
9
21.154.am
33.202.ar
FIT
1:1
100%

Артикул

Название

Примечание

Количество

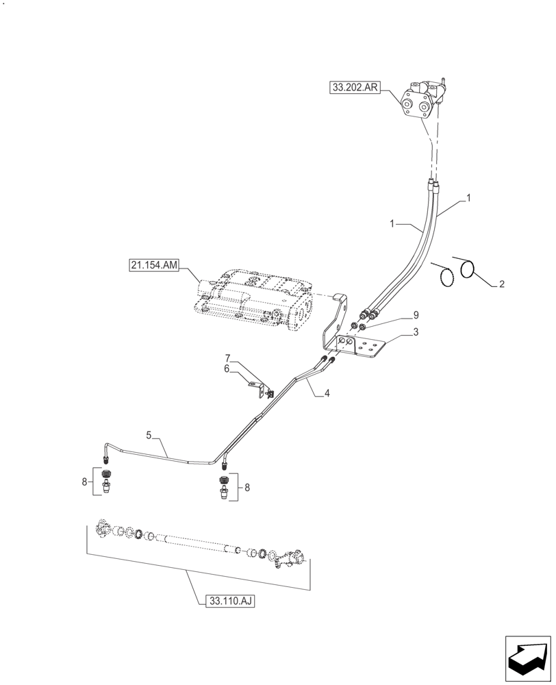
1

47891508

HYDRAULIC HOSE

Rear Brakes

2шт.

2

83933061

STRAP

Cable Tie, 7 x 0.193in

2шт.

3

47768037

BRACKET

Feed/B Filter

1шт.

4

73337030

TUBE

Brake Tube Assy Rear R.H.

1шт.

5

73337032

TUBE

Brake Tube Assy Rear L.H.

1шт.

6

82988748

SUPPORT

Support Brake Tubes

1шт.

7

81863745

CLIP

Use with ROPS

2шт.

7

81863745

CLIP

Use with CAB

1шт.

8

81874592

BLEEDER,M12 x 1 x 15.50mm

2шт.

9

84021874

SNAP RING,M18, Ext

2шт.

Выбрано товаров: 10