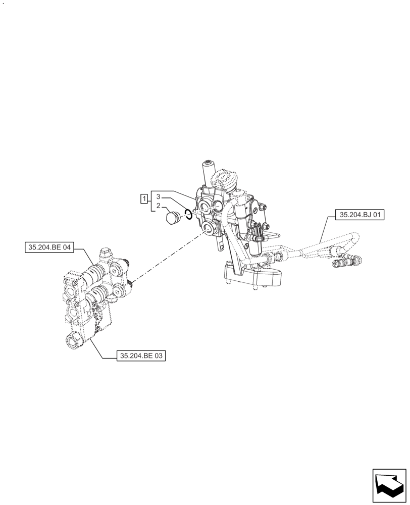
Запчасти Case IH FARMALL 110A (35.204.BE[02]) - REMOTE CONTROL VALVE (1 VALVE) - AFTER SN: CF01573M (35) - HYDRAULIC SYSTEMS

Схема запчастей Case IH FARMALL 110A - (35.204.BE[02]) - REMOTE CONTROL VALVE (1 VALVE) - AFTER SN: CF01573M (35) - HYDRAULIC SYSTEMS
35.204.bj 01
1
2
3
35.204.be 03
35.204.be 04
FIT
1:1
100%

Артикул

Название

Примечание

Количество

1

73337814

VALVE

Modular Unit Single, Incl 2, 3

1шт.

2

83957506

PLUG,3/4"

1шт.

3

81826567

O-RING,0.116" Thk x 0.924" ID, -912, Cl 6, 90 Duro

1шт.

Выбрано товаров: 3