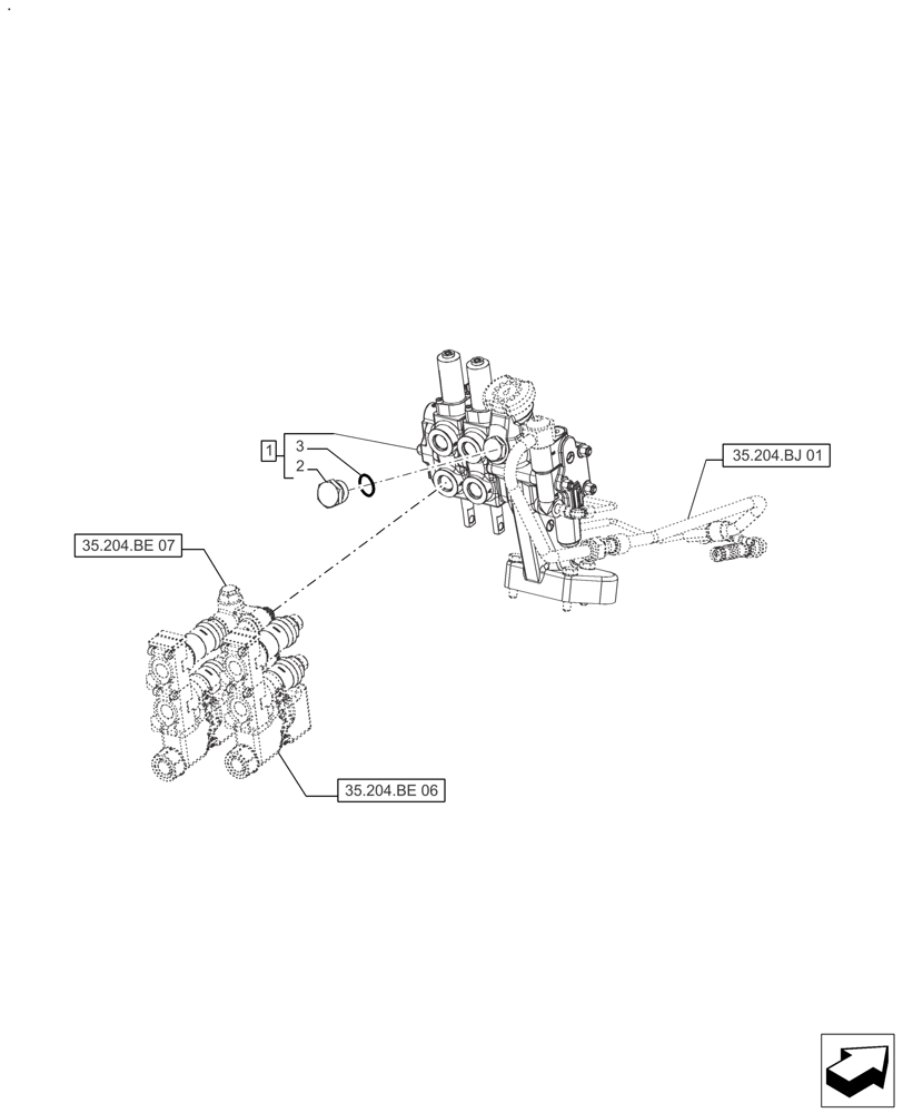
Запчасти Case IH FARMALL 110A (35.204.BE[05]) - REMOTE CONTROL VALVE (2 VALVES) - AFTER SN: CF01578M (35) - HYDRAULIC SYSTEMS

Схема запчастей Case IH FARMALL 110A - (35.204.BE[05]) - REMOTE CONTROL VALVE (2 VALVES) - AFTER SN: CF01578M (35) - HYDRAULIC SYSTEMS
35.204.be 07
2
3
1
35.204.be 06
35.204.bj 01
FIT
1:1
100%

Артикул

Название

Примечание

Количество

1

73337815

VALVE

Valve, Modular Dual, Incl 2, 3

1шт.

2

83957506

PLUG,3/4"

1шт.

3

81826567

O-RING,0.116" Thk x 0.924" ID, -912, Cl 6, 90 Duro

1шт.

Выбрано товаров: 3