Запчасти Case IH FARMALL 110A (35.204.BE[08]) - REMOTE CONTROL VALVE (4 VALVES) - AFTER SN: CF01596M (35) - HYDRAULIC SYSTEMS

Схема запчастей Case IH FARMALL 110A - (35.204.BE[08]) - REMOTE CONTROL VALVE (4 VALVES) - AFTER SN: CF01596M (35) - HYDRAULIC SYSTEMS
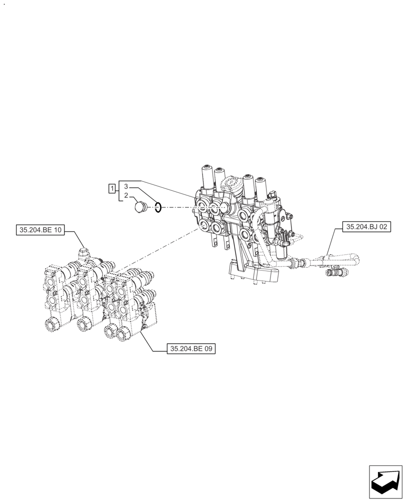
35.204.be 09
2
3
1
35.204.be 10
35.204.bj 02
FIT
1:1
100%

Артикул

Название

Примечание

Количество

1

73337816

VALVE

Valve, Modular Quadruple, Incl 2, 3

1шт.

1

73337816R

REMAN-HYD VALVE

Reman Valve, Modular Quadruple, Incl 2, 3

1шт.

1

73337816C

CORE-VALVE HYD

Core Return Number

1шт.

2

83957506

PLUG,3/4"

1шт.

3

81826567

O-RING,0.116" Thk x 0.924" ID, -912, Cl 6, 90 Duro

1шт.

Выбрано товаров: 5