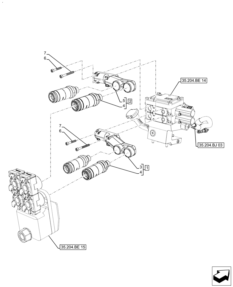
Запчасти Case IH FARMALL 110A (35.204.BE[16]) - VAR - 429477, 429478 - REMOTE CONTROL VALVE (2 VALVES), NOT APPLY FOR NAR (35) - HYDRAULIC SYSTEMS

Схема запчастей Case IH FARMALL 110A - (35.204.BE[16]) - VAR - 429477, 429478 - REMOTE CONTROL VALVE (2 VALVES), NOT APPLY FOR NAR (35) - HYDRAULIC SYSTEMS
35.204.be 15
2
4
1
6
7
4
6
5
3
7
35.204.bj 03
35.204.be 14
FIT
1:1
100%

Артикул

Название

Примечание

Количество

1

87381958

QUICK MALE COUPLING

Incl 3, 4

1шт.

2

87381963

QUICK MALE COUPLING

Incl 4, 5

1шт.

3

47123058

HOLDER

1шт.

4

47370116

COUPLING

2шт.

5

47123060

Support, Quick Couplers

1шт.

6

47940507

SCREW

Hex Soc, M6 x 35 12.9 DAC

4шт.

7

47940518

SCREW

Hex Soc, M6 x 50 12.9 DAC

4шт.

Выбрано товаров: 7