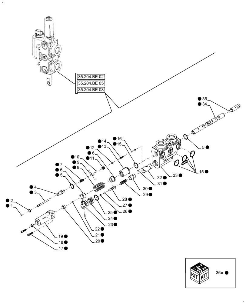
Запчасти Case IH FARMALL 110A (35.204.BE[26]) - KIT, VALVE SECTION (35) - HYDRAULIC SYSTEMS

Схема запчастей Case IH FARMALL 110A - (35.204.BE[26]) - KIT, VALVE SECTION (35) - HYDRAULIC SYSTEMS
35.204.be 05
36
35
36
6
32
3
19
5
36
36
8
36
36
1
36
18
6
11
2
36
36
34
9
36
36
33
21
36
36
23
36
36
36
20
36
12
36
7
17
10
13
36
28
36
29
36
36
36
24
22
5
36
27
16
36
15
36
36
36
36
14
26
36
36
15
36
4
36
36
36
36
36
25
36
36
30
36
31
35.204.be 08
35.204.be 02
FIT
1:1
100%

Артикул

Название

Примечание

Количество

1

NSS

NOT SOLD SEPARAT

O'Ring 1.78 x 2.57 x 6.13, Incl in 36

1шт.

2

NSS

NOT SOLD SEPARAT

O'Ring 1.78 x 9.25 x 12.81, Incl in 36

1шт.

3

NSS

NOT SOLD SEPARAT

Kick Out, Incl in 36

1шт.

4

NSS

NOT SOLD SEPARAT

Threaded Pin, Incl in 36

1шт.

5

NSS

NOT SOLD SEPARAT

O'Ring 2.62 x 15.54 x 20.78, Incl in 36

2шт.

6

NSS

NOT SOLD SEPARAT

Detent Stop, Incl in 36

2шт.

7

NSS

NOT SOLD SEPARAT

Spring 8 x 1.25 x 24, Incl in 36

1шт.

8

NSS

NOT SOLD SEPARAT

Spring 25.2 x 2.75 x 72, Incl in 36

1шт.

9

NSS

NOT SOLD SEPARAT

Lock, Incl in 36

1шт.

10

NSS

NOT SOLD SEPARAT

Ball 3/16", Incl in 36

3шт.

11

NSS

NOT SOLD SEPARAT

Piston, Incl in 36

1шт.

12

NSS

NOT SOLD SEPARAT

Washer 3 x 7 x 1, Incl in 36

1шт.

13

NSS

NOT SOLD SEPARAT

Positioner, Incl in 36

1шт.

14

NSS

NOT SOLD SEPARAT

Spring 5.5 x 1.25 x 16, Incl in 36

1шт.

15

NSS

NOT SOLD SEPARAT

O'Ring 1.78 x 21.95 x 25.51, Incl in 36

5шт.

16

NSS

NOT SOLD SEPARAT

Pilot Valve, Incl in 36

1шт.

17

NSS

NOT SOLD SEPARAT

Allen Screw M5 x 0.8 x 20, Incl in 36

2шт.

18

NSS

NOT SOLD SEPARAT

Allen Cap 1/8", Incl in 36

1шт.

19

NSS

NOT SOLD SEPARAT

Cover, Incl in 36

1шт.

20

NSS

NOT SOLD SEPARAT

Brake Nut, Incl in 36

1шт.

21

NSS

NOT SOLD SEPARAT

Pin, Incl in 36

1шт.

22

NSS

NOT SOLD SEPARAT

Allen Cap M4 x 0.7 x 10, Incl in 36

1шт.

23

NSS

NOT SOLD SEPARAT

Knob, Incl in 36

1шт.

24

NSS

NOT SOLD SEPARAT

Plug Control Flow, Incl in 36

1шт.

25

NSS

NOT SOLD SEPARAT

O'Ring 2.46.x 19.18 x 24.10, Incl in 36

1шт.

26

NSS

NOT SOLD SEPARAT

Teflon Ring 5.1 x 7.9 x 1, Incl in 36

1шт.

27

NSS

NOT SOLD SEPARAT

O'Ring 1.78 x 4.47 x 8.03, Incl in 36

1шт.

28

NSS

NOT SOLD SEPARAT

Pin, Incl in 36

1шт.

29

NSS

NOT SOLD SEPARAT

Spring 10.9 x 0.9 x 35.6, Incl in 36

1шт.

30

NSS

NOT SOLD SEPARAT

Check Valve, Incl in 36

1шт.

31

NSS

NOT SOLD SEPARAT

Pin Roll 2 x 10, Incl in 36

1шт.

32

NSS

NOT SOLD SEPARAT

Flow Spool, Incl in 36

1шт.

33

NSS

NOT SOLD SEPARAT

Body, Incl in 36

1шт.

34

NSS

NOT SOLD SEPARAT

Stem, Incl in 36

1шт.

35

NSS

NOT SOLD SEPARAT

End Stem, Incl in 36

1шт.

36

47783174

VALVE

Kit, Incl 1 - 35

1шт.

Выбрано товаров: 36