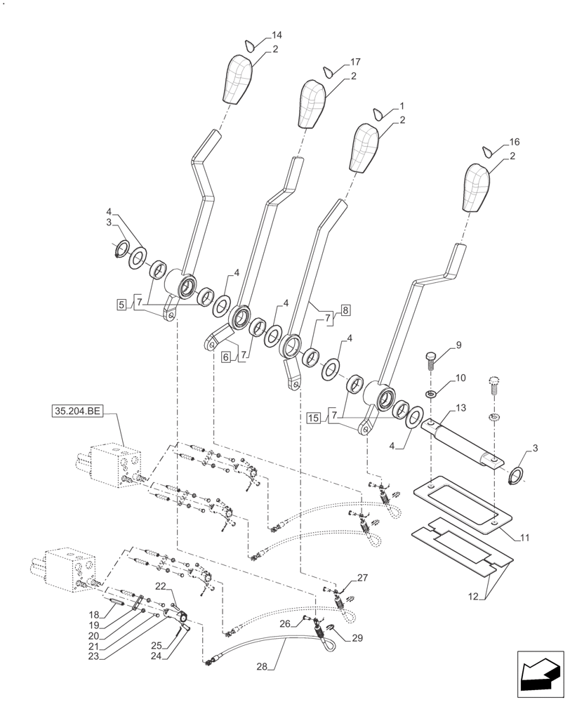
Запчасти Case IH FARMALL 110A (35.204.BL[03]) - 4 CONTROL VALVES LEVER , CAB - BEFORE SN: CF01596M (35) - HYDRAULIC SYSTEMS

Схема запчастей Case IH FARMALL 110A - (35.204.BL[03]) - 4 CONTROL VALVES LEVER , CAB - BEFORE SN: CF01596M (35) - HYDRAULIC SYSTEMS
21
35.204.be
15
4
17
27
3
16
22
11
20
7
14
2
2
7
4
29
23
1
19
9
4
26
28
12
18
6
8
4
7
7
5
10
2
24
3
13
2
25
4
FIT
1:1
100%

Артикул

Название

Примечание

Количество

1

87698517

DATA PLAQUE

Black

1шт.

2

47056482

KNOB

4шт.

3

81822229

SNAP RING,#75, 3/4", Ext

2шт.

4

82989335

SHIM

4шт.

5

73335635

LEVER

Lever Remote Valve Assy, Incl 7

1шт.

6

73335642

CONTROL LEVER

Lever Remote Valve Assy, Incl 7

1шт.

7

73335637

BUSHING

Bushing Remote Valve Assy

6шт.

8

73335647

LEVER

Lever Remote Valve Assy, Incl 7

1шт.

9

16043524

SCREW,Hex, M8 x 1.25 x 22mm, Cl 8.8, Full Thd

2шт.

10

83990583

LOCK WASHER,M8 x 14.8mm OD x 2.1mm Thk

2шт.

11

73335657

FENDER

Flange Levers

1шт.

12

73335634

SEAL

Seal Levers

2шт.

13

73335632

PIN

Pin Remote Valve

1шт.

14

87698516

DATA PLAQUE

Brown

1шт.

15

47460949

LEVER

Lever Remote Valve Assy, Incl 7, Start Year: 16-APR-13

1шт.

16

87698506

DATA PLAQUE

Blue

1шт.

17

87698505

DATA PLAQUE

Green

1шт.

18

73336322

STUD

Stud Valve Cable

8шт.

19

73336321

CLAMP

Clamp Valve Cable

4шт.

20

83935046

LOCK WASHER,Helical Spring, 1/4" ID x 0.489" OD x 0.062" Thk

8шт.

21

83925971

SCREW,M6 x 1 x 1mm, Gr 8.8

M6 x 14, G8.8, Full Thd

8шт.

22

10902824

BOLT,Hex, M6 x 30mm, Cl 8.8

4шт.

23

73336318

VALVE

Couple Valve Cable

4шт.

24

81823756

CLEVIS PIN,3/8" x 1 9/64"

4шт.

25

85700711

COTTER PIN,3/32" x 1"

4шт.

26

385818

CLEVIS PIN,M8 x 20

4шт.

27

81813879

COTTER PIN,1/16" x 3/4"

4шт.

28

47956630

CABLE

ASSY-HYD R/CNTRL VLV, with two clevis, OAL = 1000 mm / 39.37"

4шт.

29

81865873

CLIP,19.40mm D

4шт.

Выбрано товаров: 29