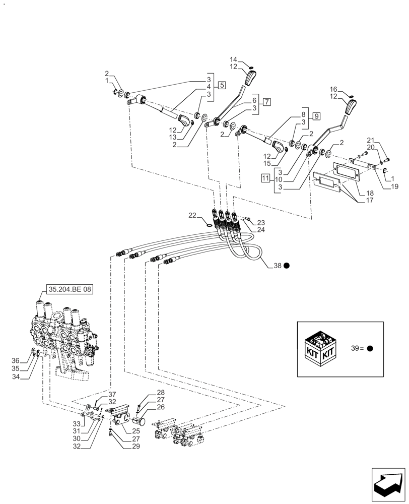
Запчасти Case IH FARMALL 110A (35.204.BL[09]) - REMOTE CONTROL VALVE, 4 CONTROL LEVER, CAB - AFTER SN: CF01596M (35) - HYDRAULIC SYSTEMS

Схема запчастей Case IH FARMALL 110A - (35.204.BL[09]) - REMOTE CONTROL VALVE, 4 CONTROL LEVER, CAB - AFTER SN: CF01596M (35) - HYDRAULIC SYSTEMS
35.204.be 08
2
9
2
28
36
12
14
18
8
29
13
19
16
26
12
23
3
12
32
2
11
10
3
15
31
3
3
17
22
25
39
37
21
32
2
4
12
27
30
2
3
38
7
24
35
27
20
6
34
33
5
1
3
1
39
FIT
1:1
100%

Артикул

Название

Примечание

Количество

1

81822229

SNAP RING,#75, 3/4", Ext

2шт.

2

82989335

SHIM

5шт.

3

73335637

BUSHING

6шт.

4

NSS

NOT SOLD SEPARAT

LEVER ASSY, REMOTE VALVE, Incl in 5

1шт.

5

47460949

LEVER

Incl 3, 4

1шт.

6

NSS

NOT SOLD SEPARAT

LEVER, Incl in 7

1шт.

7

73335647

LEVER

Incl 3, 6

1шт.

8

NSS

NOT SOLD SEPARAT

LEVER, Incl in 9

1шт.

9

73335642

CONTROL LEVER

Incl 3, 8

1шт.

10

NSS

NOT SOLD SEPARAT

LEVER, Incl in 11

1шт.

11

73335635

LEVER

Incl 3, 10

1шт.

12

47056482

KNOB

4шт.

13

87698506

DATA PLAQUE

1шт.

14

87698517

DATA PLAQUE

1шт.

15

87698505

DATA PLAQUE

1шт.

16

87698516

DATA PLAQUE

1шт.

17

73335634

SEAL

SEAL LEVERS

2шт.

18

73335657

FENDER

FLANGE

1шт.

19

73335632

PIN

1шт.

20

10571779

LOCK WASHER,Helical Spring, 8.10mm ID x 14.80mm OD x 2.00mm, ZNM

2шт.

21

16043524

SCREW,Hex, M8 x 1.25 x 22mm, Cl 8.8, Full Thd

2шт.

22

81865873

CLIP,19.40mm D

4шт.

23

385818

CLEVIS PIN,M8 x 20

4шт.

24

81813879

COTTER PIN,1/16" x 3/4"

4шт.

25

73338186

SUPPORT

SUP ASSY REMOTE VLV

4шт.

26

87683059

PIN,28mm OD x 46.5mm L

, Years: -17-JAN-14, Serial Range: -NH03900M, NH03901M, NH03902M

4шт.

26

47600116

PIN

Pin, Groove, Start Year: 17-JAN-14, Start Serial: NH03900M, NH03901M, NH03902M

4шт.

27

86517328

LOCK WASHER,6.1mm ID x 11.8mm OD x 1.7mm Thk

12шт.

28

120100

BOLT,M6 x 20mm, Cl 8.8

4шт.

29

47537437

SCREW

SCREW, HEX SOC, M6X1.0X14.0 FULL 12.9ZND

8шт.

30

81873225

PIN,1/4" x 49/64" L

4шт.

31

81454228

COTTER PIN,1/16" x .50" L

4шт.

32

86637937

CLEVIS PIN,3/8" x 11/16"

8шт.

33

73338188

CAM

CAM, PIVOT

4шт.

34

73338189

PLATE

LINK

8шт.

35

83926806

WASHER,1/4", SAE

4шт.

36

85700664

WASHER,3/8" x .81" x .08" Thk

4шт.

37

81813880

COTTER PIN,3/32" x 3/4"

8шт.

38

47956630

CABLE

ASSY-HYD R/CNTRL VLV, with two clevis, OAL = 1000 mm / 39.37"

4шт.

39

48018739

KIT

Cab 4 Remote Valves, Incl 38

1шт.

To See the Full Kit Composition Look Figure 90.160.BL (02)

1шт.

Выбрано товаров: 41