Запчасти Case IH FARMALL 110A (35.204.BL[11]) - VAR - 429476 - REMOTE CONTROL VALVE, 1 CONTROL LEVER, CAB, NOT APPLY FOR NAR (35) - HYDRAULIC SYSTEMS

Схема запчастей Case IH FARMALL 110A - (35.204.BL[11]) - VAR - 429476 - REMOTE CONTROL VALVE, 1 CONTROL LEVER, CAB, NOT APPLY FOR NAR (35) - HYDRAULIC SYSTEMS
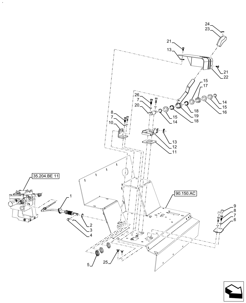
90.150.ac
26
21
19
13
15
7
6
11
18
1
3
15
13
23
12
18
14
9
5
22
25
10
16
2
7
24
14
4
7
20
21
8
15
8
17
35.204.be 11
FIT
1:1
100%

Артикул

Название

Примечание

Количество

1

47931372

CABLE

Cable Assy. Remote Control Valve

1шт.

2

81865873

CLIP,19.40mm D

Hydraulic Remote Control Valve Cable Retaining

1шт.

3

81813879

COTTER PIN,1/16" x 3/4"

1шт.

4

385818

CLEVIS PIN,M8 x 20

1шт.

5

81862738

PLUG,M38 x 28 x 5mm

3шт.

6

47937799

Cover, Without Levers

1шт.

7

10571779

LOCK WASHER,Helical Spring, 8.10mm ID x 14.80mm OD x 2.00mm, ZNM

6шт.

8

43127

BOLT,Hex, M8 x 1.25 x 25mm, Cl 8.8

4шт.

9

47871878

Cover

2шт.

10

47931409

Bracket, Remote Valve

1шт.

11

73336265

SEAL

Levers

1шт.

12

48015690

Plate, Mounting, Stop Levers

1шт.

13

14371774

SPRING NUT,M6, U, 12mm long

2шт.

14

81822229

SNAP RING,#75, 3/4", Ext

2шт.

15

5126031

WASHER,21mm ID x 35mm OD x 2mm Thk

3шт.

16

82989335

SHIM

1шт.

17

47933370

Hub

1шт.

18

73335637

BUSHING

2шт.

19

47931406

Lever Assy. 1 Remote Valve

1шт.

20

48014823

Pin, Remote Valve

1шт.

21

1983037

HEX SOC SCREW,Btn Hd Flg, M6 x 16mm, Cl 10.9

2шт.

22

47932617

Cover Assy.

1шт.

23

47056482

KNOB

1шт.

24

87698505

DATA PLAQUE

Green

1шт.

25

83951873

PLUG

2шт.

26

43128

BOLT,M8 x 1.25 x 30mm, Cl 8.8

2шт.

Выбрано товаров: 26