Запчасти Case IH FARMALL 110A (37.108.AG[03]) - LIFT CONTROL (37) - HITCHES, DRAWBARS & IMPLEMENT COUPLINGS

Схема запчастей Case IH FARMALL 110A - (37.108.AG[03]) - LIFT CONTROL (37) - HITCHES, DRAWBARS & IMPLEMENT COUPLINGS
8
3
9
4
6
1
37.108.ag 01
7
2
37.110.ap
5
10
FIT
1:1
100%

Артикул

Название

Примечание

Количество

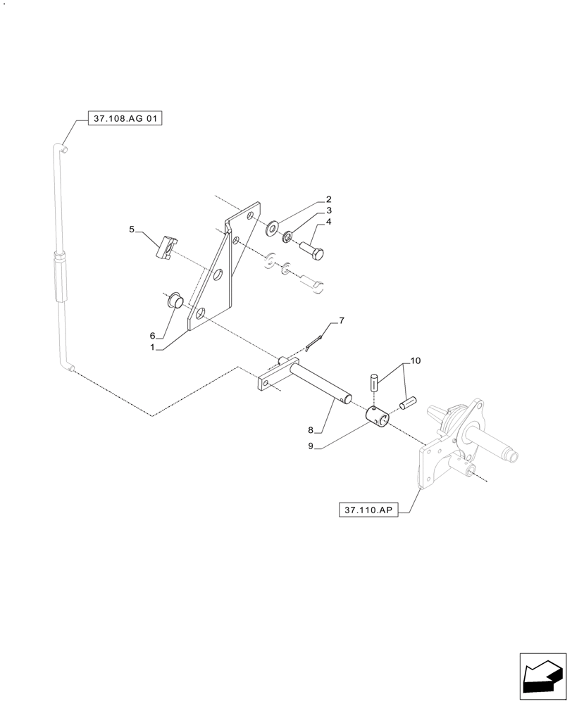
1

73336545

BRACKET

Bracket Hydraulic Control

1шт.

2

86625253

WASHER,11mm ID x 24mm OD x 2mm Thk

2шт.

3

85700672

LOCK WASHER,M10

2шт.

4

43140

BOLT,Hex, M10 x 1.5 x 30mm, Cl 8.8

2шт.

5

83925925

RETAINER

2шт.

6

83913160

BUSHING,15.9mm ID x 17.45mm OD x 115.52mm L

1шт.

7

85700711

COTTER PIN,3/32" x 1"

1шт.

8

82989340

LEVER

Lever Assy. Draft Control

1шт.

9

83927288

HUB

1шт.

10

83900510

SLOTTED PIN,1/4" x 1 1/4" L

2шт.

Выбрано товаров: 10