Запчасти Case IH FARMALL 110A (55.100.BZ[02]) - MAIN HARNESS, ROPS (55) - ELECTRICAL SYSTEMS

Схема запчастей Case IH FARMALL 110A - (55.100.BZ[02]) - MAIN HARNESS, ROPS (55) - ELECTRICAL SYSTEMS
4
2
2
5
6
1
3
5
4
3
8
7
3
3
FIT
1:1
100%

Артикул

Название

Примечание

Количество

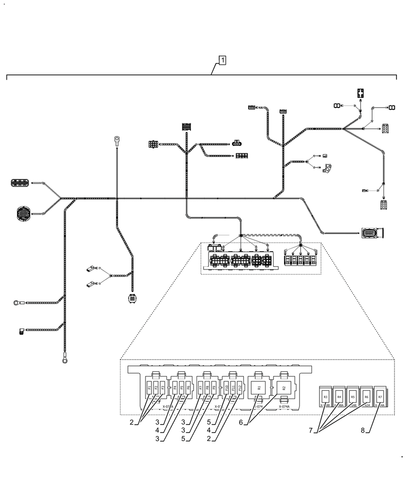
1

47435719

WIRE HARNESS

HARNESS ASSY MAIN REAR, Start Year: 07-OCT-13, Serial Range: NH03002M-CF03315M

1шт.

Use With Kit Starter Switch Jumper 48091217

1шт.

1

48074910

WIRE HARNESS

Incl 2 - 8, Start Serial: CF03315M

1шт.

2

87717080

FUSE,15A, Blue

4шт.

3

87717079

FUSE,7.5A

4шт.

4

87693743

FUSE,20A, Blade/Uni

2шт.

5

87693742

FUSE,5A

2шт.

6

5080366

RELAY,12V, 30A

2шт.

7

84157157

RELAY,12V, 20A, Micro

R3 & R4

2шт.

R5, Hood Work Lamps (Qty 1)

1шт.

R6, Creeper (Qty 1), Use With R7

1шт.

8

84157161

RELAY,12V, 20A

R7, Creeper

1шт.

Выбрано товаров: 12