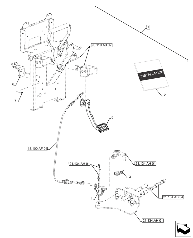
Запчасти Case IH FARMALL 110A (88.100.18[02]) - KIT, CLUTCH PEDAL, ROPS (88) - ACCESSORIES

Схема запчастей Case IH FARMALL 110A - (88.100.18[02]) - KIT, CLUTCH PEDAL, ROPS (88) - ACCESSORIES
21.134.ah 01
2
1
5
6
3
7
4
21.134.ab 04
18.100.af 01
90.119.ab 02
21.134.ah 01
21.134.ah 01
FIT
1:1
100%

Артикул

Название

Примечание

Количество

1

48033461

KIT

Dia Kit, Clutch Pedal, Rops, Incl 2 - 7

1шт.

2

48035419

INSTRUCTION

Manual, Kit Installation

1шт.

3

47896033

SPRING

Torsion

1шт.

4

47899010

SUPPORT

Clevis

1шт.

5

47899129

PEDAL

Assy. Clutch

1шт.

6

47897517

SUPPORT

Clutch Cable

1шт.

7

81823467

PLUG

1шт.

Выбрано товаров: 7