Запчасти Case IH FARMALL 110A (10.218.AD) - FUEL FILTER (10) - ENGINE

Схема запчастей Case IH FARMALL 110A - (10.218.AD) - FUEL FILTER (10) - ENGINE
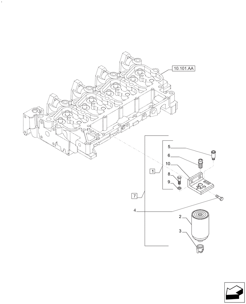
1
4
7
6
9
10.101.aa
3
2
8
10
5
FIT
1:1
100%

Артикул

Название

Примечание

Количество

1

2859157

FUEL FILTER

Incl 5, 6, 8 - 10

1шт.

2

84171722

FUEL FILTER

2V IND/AG w/water sensor, Farmall 110A, Farmall 120A

1шт.

2

84175081

FUEL FILTER

Farmall 125A, Farmall 140A

1шт.

3

2853585

SENSOR

Water in Fuel

1шт.

4

4899079

SCREW,Hex Flg, M8 x 1.25 x 25

2шт.

5

2830454

ADAPTER,M12 x 1.5

1шт.

6

2830453

ADAPTER,M16 x 1.5

1шт.

7

2859155

FILTER ASSY

Incl 1 - 3, Farmall 110A, Farmall 120A

1шт.

7

2859646

FILTER ASSY

Incl 1 - 3, Farmall 125A, Farmall 140A

1шт.

8

2859159

PLUG,Hex, M8 x 1.5

Bolt

1шт.

9

2859160

GASKET

Metal Washer

1шт.

10

2859158

Support

1шт.

Выбрано товаров: 12