Качественные детали и логистика
Оригинальные и аналоговые запчасти с доставкой по России, Казахстану и Беларуси
©2022 PartSell ООО "Система" ИНН 2463123282 ОГРН 1212400004838
Центральный офис: г. Красноярск, Академика Киренского, д.87, пом.4
Телефон: 8 (800) 777-65-74 Email: zakaz@partsell.ru
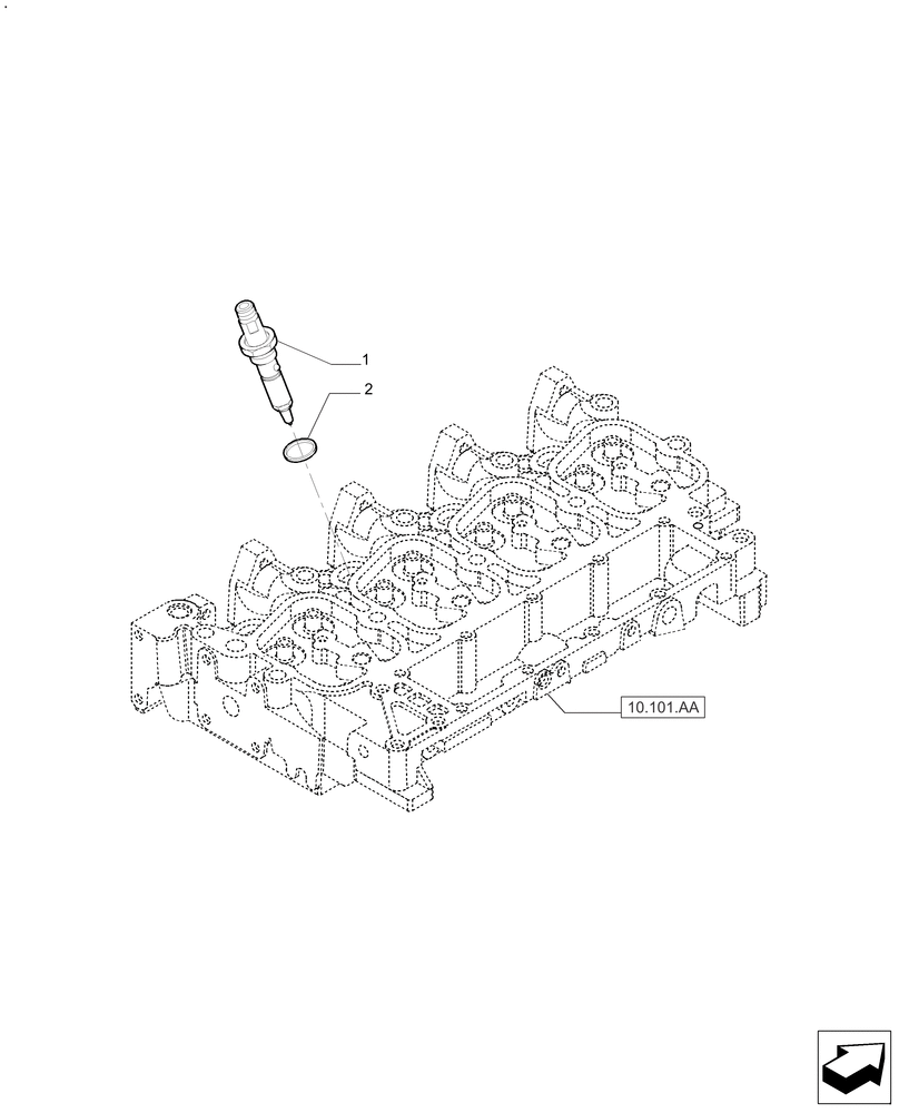
(10.218.AQ[02]) - FUEL SYSTEM INJECTOR
№
Артикул
Название
Примечание
Количество
1
2852056
FUEL SYSTEM INJECTOR
Assy, FARMALL 110A, FARMALL 120A, Incl 2
4шт.
2852273
Assy, FARMALL 125A, FARMALL 140A, Incl 2
6шт.
2
4895297
SEAL,7.3mm ID x 15mm OD x 2.5mm THK
Quantity use for 4 Cyl models
1шт.
Quantity use for 6 Cyl models
Выбрано товаров: 0