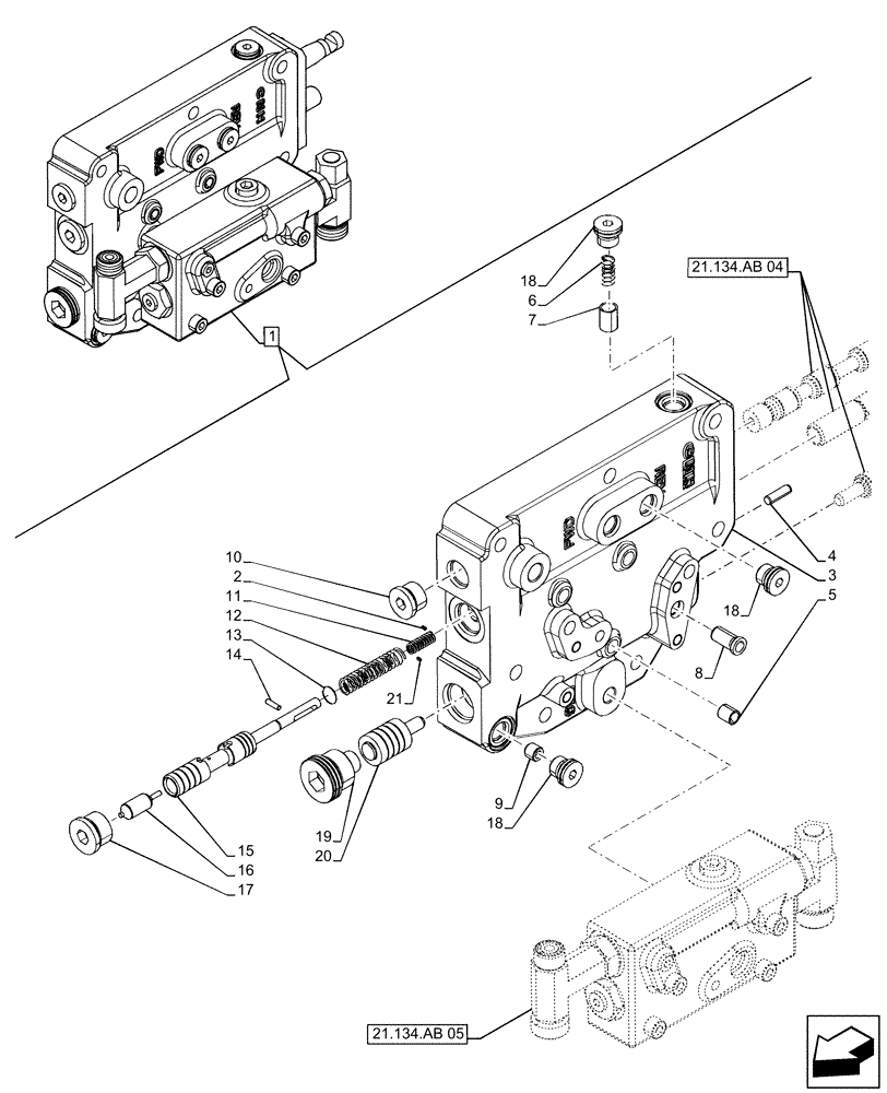
Запчасти Case IH FARMALL 110A (21.134.AB[03]) - TRANSMISSION CONTROL VALVE, POWERSHUTTLE, COMPONENTS (21) - TRANSMISSION

Схема запчастей Case IH FARMALL 110A - (21.134.AB[03]) - TRANSMISSION CONTROL VALVE, POWERSHUTTLE, COMPONENTS (21) - TRANSMISSION
12
1
18
18
8
4
3
16
21.134.ab 05
20
21
2
13
14
17
15
21.134.ab 04
18
6
9
10
19
5
11
7
FIT
1:1
100%

Артикул

Название

Примечание

Количество

1

47522510

VALVE

ASSY, Incl 2 - 21

1шт.

1

47522510R

REMAN-HYD VALVE

Reman ASSY, Incl 2 - 21

1шт.

1

47522510C

CORE-VALVE HYD

Core Return Number

1шт.

2

84289764

SPRING,20.22mm OD

1шт.

3

NSS

NOT SOLD SEPARAT

Valve, Incl in 1

1шт.

4

10336210

DOWEL,M6 x 20

2шт.

5

14536590

PLUG,10.00mm Dia x 19.80mm L

3шт.

6

84408628

SPRING,8.5mm OD x 22.5mm L

1шт.

7

84594366

DETENT,9.5mm ID x 19.5mm L

1шт.

8

84413706

FILTER

1шт.

9

47400499

BLEEDER,M10 x 1.25, 10mm L

1шт.

10

86590562

PLUG,Hex Soc, 3/4" - 16 ORB

1шт.

11

5120761

SPRING,7.7mm OD x 20.5mm L

1шт.

12

47398024

SPRING,11mm od X 53.5mm L

1шт.

13

84289763

CIRCLIP,12.25mm

1шт.

14

84289761

PIN,3.1mm x 11.5mm

1шт.

15

84413934

ROD

1шт.

16

84411956

PIN,10.98mm OD x 37mm L

1шт.

17

86625138

PLUG,7/18" - 14

1шт.

18

86598044

PLUG,Hex, M14 x 1.5 ORB

4шт.

19

47523000

PLUG,1" 1/16, 12UN-2A

1шт.

20

47397119

PISTON

1шт.

21

84289745

SPRING,20.57mm OD

1шт.

Выбрано товаров: 23