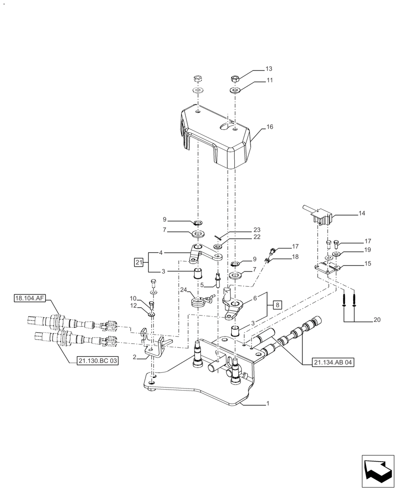
Запчасти Case IH FARMALL 110A (21.134.AH[01]) - ACTUATOR - POWERSHUTTLE - HYD (21) - TRANSMISSION

Схема запчастей Case IH FARMALL 110A - (21.134.AH[01]) - ACTUATOR - POWERSHUTTLE - HYD (21) - TRANSMISSION
21.130.bc 03
3
17
12
11
10
1
7
9
21
4
6
3
8
22
13
5
14
2
16
20
24
9
19
23
7
18
15
17
21.134.ab 04
18.104.af
FIT
1:1
100%

Артикул

Название

Примечание

Количество

1

73338669

BASE PLATE

1шт.

2

47899010

SUPPORT

CLEVIS

1шт.

3

73337293

BUSHING

BUSHING, Incl in 8 & 21

2шт.

4

NSS

NOT SOLD SEPARAT

LEVER IDLER SUP CPL, Incl in 21

1шт.

5

47630088

PIN

PIN, HITCH, Start Year: 12-FEB-14

1шт.

6

73337302

IDLER LEVER

LEVER IDLER INF CPL, Incl in 8

1шт.

7

14496701

WASHER,13.00mm ID x 24.00mm OD x 2.50mm, CST, ZND

2шт.

8

73337301

PLATE

Plate Inf, Incl 3, 6

1шт.

9

11066076

SNAP RING,M12, Ext

2шт.

10

16043224

BOLT,Hex, M8 x 16mm, Cl 8.8

2шт.

11

86625263

WASHER,9mm ID x 20mm OD x 1.6mm Thk

2шт.

12

83990583

LOCK WASHER,M8 x 14.8mm OD x 2.1mm Thk

2шт.

13

43362

NUT,M8 x 1.25, Cl 10

2шт.

14

84142375

PARK BRAKE SWITCH

ONLY WITH ALARM

1шт.

15

73338050

SUPPORT

SUPPORT SWITCH PTD, ONLY WITH ALARM

1шт.

16

73338672

COVER

1шт.

17

86632597

BOLT,M5 x 0.8 x 15.65mm, Cl 8.8

ONLY WITH ALARM

3шт.

18

81838649

NUT,M5

1шт.

19

10571474

LOCK WASHER,5.10mm ID x 9.20mm OD x 1.20mm, C72, DAC

ONLY WITH ALARM

2шт.

20

82007240

SCREW,Round Washer, 3mm OD x 1.34mm Thd

ONLY WITH ALARM

2шт.

21

73337298

LEVER

Incl 3, 4

1шт.

22

83926806

WASHER,1/4", SAE

1шт.

23

81454228

COTTER PIN,1/16" x .50" L

, Start Year: 12-FEB-14

1шт.

24

47896033

SPRING

Torsion

1шт.

Выбрано товаров: 24