Запчасти Case IH FARMALL 110A (21.000.00[02]) - PICTORIAL INDEX - TRANSMISSION (21) - TRANSMISSION

Схема запчастей Case IH FARMALL 110A - (21.000.00[02]) - PICTORIAL INDEX - TRANSMISSION (21) - TRANSMISSION
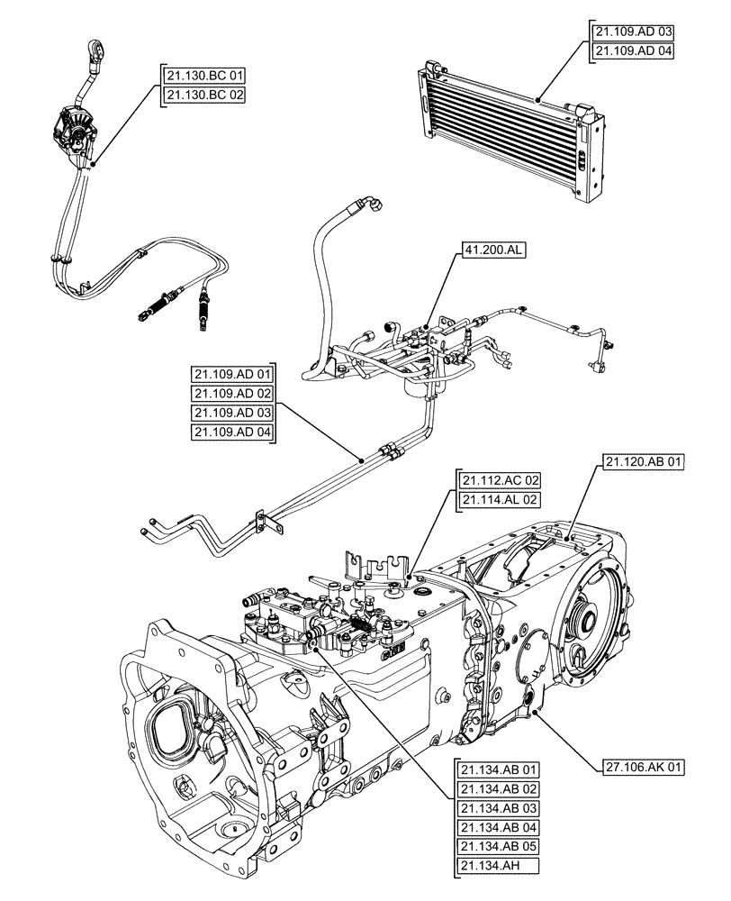
21.109.ad 01
21.134.ah
21.114.al 02
21.134.ab 01
21.109.ad 03
21.134.ab 04
21.120.ab 01
27.106.ak 01
21.134.ab 03
21.109.ad 03
21.130.bc 02
21.109.ad 04
21.134.ab 02
21.109.ad 04
41.200.al
21.130.bc 01
21.109.ad 02
21.112.ac 02
21.134.ab 05
FIT
1:1
100%