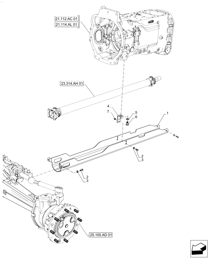
Запчасти Case IH FARMALL 110A (23.314.AH[04]) - VAR - 391292 - FRONT, DRIVE SHAFT, GUARD, 4WD, STANDARD DUTY (23) - FOUR WHEEL DRIVE SYSTEM

Схема запчастей Case IH FARMALL 110A - (23.314.AH[04]) - VAR - 391292 - FRONT, DRIVE SHAFT, GUARD, 4WD, STANDARD DUTY (23) - FOUR WHEEL DRIVE SYSTEM
2
7
5
3
4
21.112.ac 01
25.100.ad 01
2
21.114.al 01
1
3
23.314.ah 01
6
FIT
1:1
100%

Артикул

Название

Примечание

Количество

1

73337748

GUARD

Drive Shaft

1шт.

2

BER43139

BOLT

6шт.

3

86625253

WASHER,11mm ID x 24mm OD x 2mm Thk

6шт.

4

82985221

SUPPORT

Shield Shaft

2шт.

5

86511327

WASHER,21mm ID x 37mm OD x 3mm Thk

2шт.

6

81817784

BOLT,Hex, 3/4" - 10 x 1 1/4", Gr 5

2шт.

7

86500689

NUT,M10 x 1.5, Cl 10

2шт.

Выбрано товаров: 7