Запчасти Case IH FARMALL 110A (25.400.AH[01]) - VAR - 330403 - 2WD FRONT AXLE, HUB, STANDARD DUTY (25) - FRONT AXLE SYSTEM

Схема запчастей Case IH FARMALL 110A - (25.400.AH[01]) - VAR - 330403 - 2WD FRONT AXLE, HUB, STANDARD DUTY (25) - FRONT AXLE SYSTEM
5
8
10
11
4
3
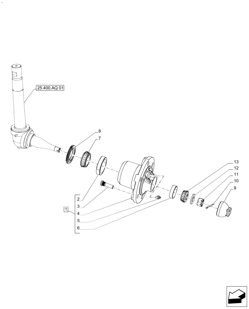
1
13
12
6
7
25.400.aq 01
2
9
FIT
1:1
100%

Артикул

Название

Примечание

Количество

1

82980396

HUB

Assy. Front Wheel, Incl 2 - 6

2шт.

2

82971755

BEARING CUP

1шт.

3

82980463

WHEEL BOLT,1/2" - 20 x 1 3/4"

6шт.

4

82980397

HUB

Front Wheel

1шт.

5

83416242

LUBE NIPPLE,Straight, 1/8"-27 x 0.66"

1шт.

6

82964608

BEARING ASSY

1шт.

7

82971702

BEARING ASSY

Bearing Assy. PTO Lower Shaft Rear

2шт.

8

82980464

RETAINER

2шт.

9

81802363

HUB CAP

2шт.

10

81815888

COTTER PIN,5/32" x 1 1/4"

2шт.

11

83910701

SLOTTED NUT,3/4"-16

2шт.

12

81811561

WASHER,19.18mm ID x 39.62mm OD x 3.79mm Thk

2шт.

13

82964614

BEARING ASSY

2шт.

Выбрано товаров: 13