Запчасти Case IH FARMALL 110A (27.100.AP[03]) - VAR - 330066 - TRANSFER BOX, CONTROL, 2WD, WITH CREEPER (27) - REAR AXLE SYSTEM

Схема запчастей Case IH FARMALL 110A - (27.100.AP[03]) - VAR - 330066 - TRANSFER BOX, CONTROL, 2WD, WITH CREEPER (27) - REAR AXLE SYSTEM
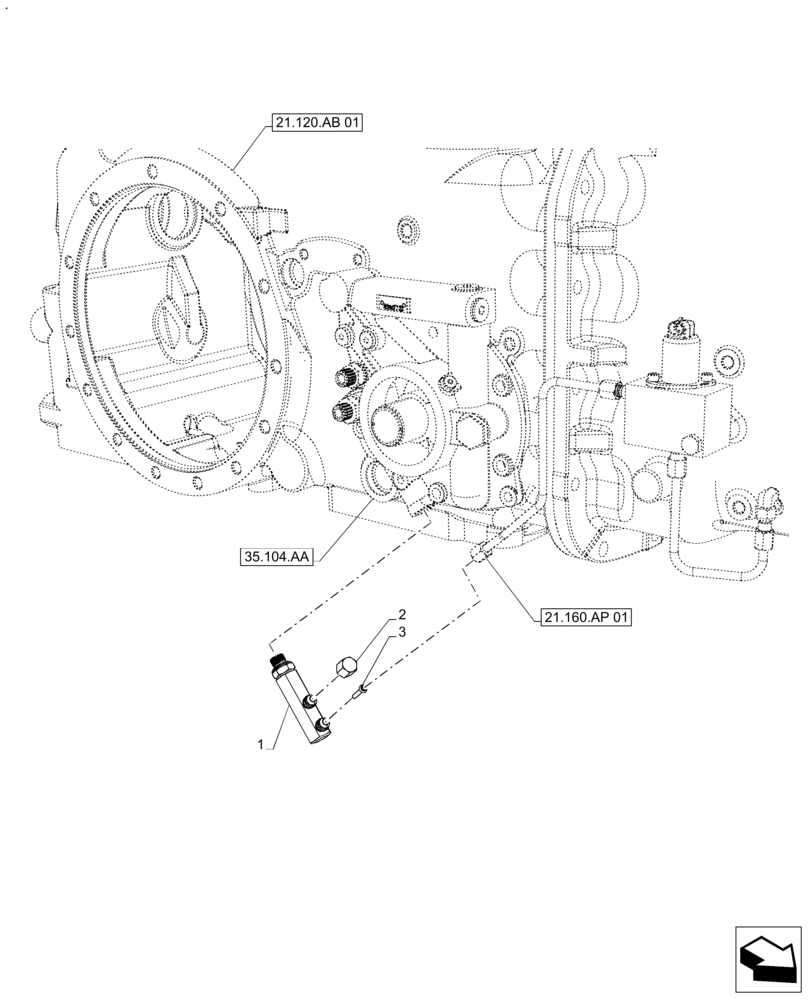
2
35.104.aa
3
1
21.120.ab 01
21.160.ap 01
FIT
1:1
100%

Артикул

Название

Примечание

Количество

1

82982611

HYD CONNECTOR,M14 x 1.5 ORB x 1/2" - 20 JIC x 1/2" - 20 JIC

1шт.

2

83927085

CAP,1/2"-20

1шт.

3

83927935

FILTER STRAINER

1шт.

Выбрано товаров: 3