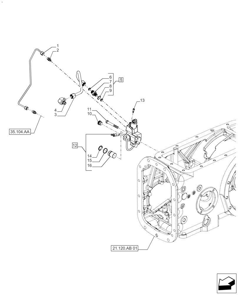
Запчасти Case IH FARMALL 110A (27.106.AK[02]) - VAR - 390331, 330331 - DIFFERENTIAL LOCK, CONTROL (27) - REAR AXLE SYSTEM

Схема запчастей Case IH FARMALL 110A - (27.106.AK[02]) - VAR - 390331, 330331 - DIFFERENTIAL LOCK, CONTROL (27) - REAR AXLE SYSTEM
21.120.ab 01
7
5
1
10
12
15
14
9
8
4
6
16
3
2
11
13
35.104.aa
FIT
1:1
100%

Артикул

Название

Примечание

Количество

1

82008010

TUBE

Assy. Differential Lock VLV Press Inlet

1шт.

2

81863438

HYD CONNECTOR,M10 x 9/16"-18 ORS

2шт.

3

73337835

HYD TUBE

Differential Lock

1шт.

4

83983763

90 ELBOW,13/16"-16 ORFS x 9/16"-18 ORB

1шт.

5

82982604

ADAPTER,M18 x 13/16"-16

Incl 6 - 9

1шт.

6

81845038

O-RING,0.5" ID x 0.07" Thk

1шт.

7

82982689

ADAPTER

Right Metric M18-1.5

1шт.

8

82983301

WASHER

M18

1шт.

9

82982654

O-RING,15.3mm ID x 2.2mm Width

1шт.

10

82983298

PLUG,M18

1шт.

11

83905793

BOLT,Hex, 7/16" - 14 x 3 1/2"

1шт.

12

73338080

VALVE

Assy. Act Differential Lock, Incl 14 - 16

1шт.

13

81821509

BOLT,Hex, 1/4" - 20 x 3/4", Gr 5

1шт.

14

14463080

O-RING,0.139" Thk x 0.859" ID, -212, Cl 5, 75 Duro

1шт.

15

81863473

RING,28.58mm ID x 30.25mm OD x 3.43mm Thk

Differential Lock Actuator

1шт.

16

81870096

PISTON

Rear Axle Differential Lock

1шт.

Выбрано товаров: 16