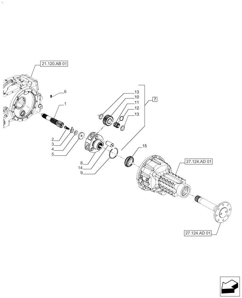
Запчасти Case IH FARMALL 110A (27.124.AB[01]) - VAR - 390331 - PLANETARY GEAR, FINAL DRIVE, STANDARD DUTY (27) - REAR AXLE SYSTEM

Схема запчастей Case IH FARMALL 110A - (27.124.AB[01]) - VAR - 390331 - PLANETARY GEAR, FINAL DRIVE, STANDARD DUTY (27) - REAR AXLE SYSTEM
21.120.ab 01
10
2
5
13
8
12
14
3
15
4
1
9
7
13
11
6
27.124.ad 01
27.124.ad 01
FIT
1:1
100%

Артикул

Название

Примечание

Количество

1

73337417

BEVEL GEAR

Rear Axle Planet Sun

2шт.

2

83955889

BOLT,Hex, 3/4" - 10 x 2 1/4", Gr 8

2шт.

3

83997578

LOCKING TAB

Rear Axle Shaft Bolt

2шт.

4

81803491

SHIM,22.86mm ID x 53.85mm OD x 1.27mm Thk

1шт.

4

81803502

SHIM,22.86mm ID x 53.85mm OD x 1.37mm Thk

1шт.

4

81803503

SHIM,22.86mm ID x 53.85mm OD x 1.47mm Thk

1шт.

4

81803504

SHIM,22.86mm ID x 53.85mm OD x 1.58mm Thk

1шт.

4

81803505

SHIM,22.86mm ID x 53.85mm OD x 1.68mm Thk

1шт.

4

81803506

SHIM,22.86mm ID x 53.85mm OD x 1.78mm Thk

1шт.

4

81803507

SHIM,22.86mm ID x 53.85mm OD x 1.88mm Thk

1шт.

4

81803508

SHIM,22.86mm ID x 53.85mm OD x 1.98mm Thk

1шт.

4

81803509

SHIM,22.86mm ID x 53.85mm OD x 2.08mm Thk

1шт.

4

81803510

SHIM,22.86mm ID x 53.85mm OD x 2.18mm Thk

1шт.

4

81803511

SHIM,22.86mm ID x 53.85mm OD x 2.29mm Thk

1шт.

5

83997585

WASHER,19.3mm ID x 86mm OD x 14.7mm Thk

2шт.

6

81874592

BLEEDER,M12 x 1 x 15.50mm

2шт.

7

81866257

CARRIER

Incl 8 - 14

2шт.

8

82936255

PINION CARRIER

Planetary, Rear Axle

1шт.

9

83997592

RETAINER,126mm ID

1шт.

10

81866264

GEAR,31 T

3шт.

11

81823554

NEEDLE ROLLER,Needle, 5.55mm OD x 25.4mm L

Rear Axle Planetary Gear Bearing

1шт.

12

81803274

SHIM,47.5mm ID x 56.87mm OD x 1.19mm Thk

3шт.

13

81803272

THRUST WASHER,45.92mm ID x 67.69mm OD x 0.81mm Thk

6шт.

14

81823521

SHAFT

Rear Axle Planetary Gear

3шт.

15

81866476

BEARING ASSY

Cone, 69.85 ID

2шт.

Выбрано товаров: 25