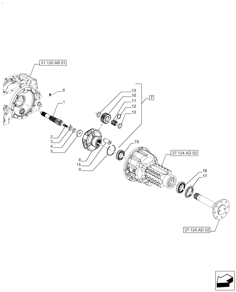
Запчасти Case IH FARMALL 110A (27.124.AB[02]) - VAR - 390331, 330331 - PLANETARY GEAR, FINAL DRIVE, HEAVY DUTY (27) - REAR AXLE SYSTEM

Схема запчастей Case IH FARMALL 110A - (27.124.AB[02]) - VAR - 390331, 330331 - PLANETARY GEAR, FINAL DRIVE, HEAVY DUTY (27) - REAR AXLE SYSTEM
27.124.ad 02
8
12
3
5
7
10
6
2
4
11
13
9
27.124.ad 02
15
13
17
16
1
14
21.120.ab 01
FIT
1:1
100%

Артикул

Название

Примечание

Количество

1

73337417

BEVEL GEAR

2шт.

2

83955889

BOLT,Hex, 3/4" - 10 x 2 1/4", Gr 8

2шт.

3

83997578

LOCKING TAB

2шт.

4

81803491

SHIM,22.86mm ID x 53.85mm OD x 1.27mm Thk

1шт.

4

81803502

SHIM,22.86mm ID x 53.85mm OD x 1.37mm Thk

1шт.

4

81803503

SHIM,22.86mm ID x 53.85mm OD x 1.47mm Thk

1шт.

4

81803504

SHIM,22.86mm ID x 53.85mm OD x 1.58mm Thk

1шт.

4

81803505

SHIM,22.86mm ID x 53.85mm OD x 1.68mm Thk

1шт.

4

81803506

SHIM,22.86mm ID x 53.85mm OD x 1.78mm Thk

1шт.

4

81803507

SHIM,22.86mm ID x 53.85mm OD x 1.88mm Thk

1шт.

4

81803508

SHIM,22.86mm ID x 53.85mm OD x 1.98mm Thk

1шт.

4

81803509

SHIM,22.86mm ID x 53.85mm OD x 2.08mm Thk

1шт.

4

81803510

SHIM,22.86mm ID x 53.85mm OD x 2.18mm Thk

1шт.

4

81803511

SHIM,22.86mm ID x 53.85mm OD x 2.29mm Thk

1шт.

5

83997585

WASHER,19.3mm ID x 86mm OD x 14.7mm Thk

2шт.

6

81874592

BLEEDER,M12 x 1 x 15.50mm

2шт.

7

81866261

CARRIER

Incl 8 - 14

2шт.

8

82936254

CARRIER

1шт.

9

83997592

RETAINER,126mm ID

1шт.

10

81866264

GEAR,31 T

4шт.

11

81823554

NEEDLE ROLLER,Needle, 5.55mm OD x 25.4mm L

232шт.

12

81803274

SHIM,47.5mm ID x 56.87mm OD x 1.19mm Thk

4шт.

13

81803272

THRUST WASHER,45.92mm ID x 67.69mm OD x 0.81mm Thk

8шт.

14

81823521

SHAFT

4шт.

15

81866519

BEARING ASSY

2шт.

16

81866516

BEARING ASSY,85.72mm ID x 133.38mm OD x 30.37mm W

2шт.

17

83958913

SEAL,101.22mm ID x 135.2mm OD x 15.01mm Thk

2шт.

Выбрано товаров: 27