Запчасти Case IH FARMALL 110A (35.104.AA) - VAR - 330066, 390266 - HYDRAULIC PUMP (35) - HYDRAULIC SYSTEMS

Схема запчастей Case IH FARMALL 110A - (35.104.AA) - VAR - 330066, 390266 - HYDRAULIC PUMP (35) - HYDRAULIC SYSTEMS
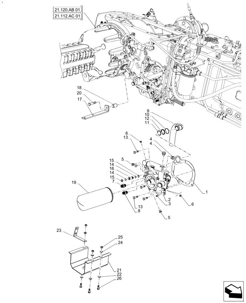
21.112.ac 01
19
14
24
15
23
26
4
5
18
15
5
12
17
22
21
20
6
11
4
13
9
6
25
8
16
10
7
14
3
2
1
13
21.120.ab 01
FIT
1:1
100%

Артикул

Название

Примечание

Количество

1

83961380

GASKET,0.86mm Thk

1шт.

2

73337533

HYDRAULIC PUMP,20.73 CC

1шт.

3

81800814

DOWEL

Rear Axle Differential Centre Housing to HPL Pump

1шт.

4

82983298

PLUG,M18

2шт.

5

82983295

PLUG,M14

3шт.

6

82983292

PLUG,M10

2шт.

7

82982604

ADAPTER,M18 x 13/16"-16

1шт.

8

82982605

ADAPTER,M22 x 13/16"-16

1шт.

9

47900670

HYD TUBE

Pump Inlet

1шт.

10

83925890

RING,M35

1шт.

11

83925889

WASHER,38.23mm ID x 42.09mm OD x 1.15mm Thk

1шт.

12

83926561

O-RING,1.5" ID x 0.103" Width

1шт.

13

81821252

BOLT,Hex, 7/16" - 14 x 1 1/4", Gr 5

6шт.

14

82988207

O-RING,12.37mm ID x 2.62mm Width

2шт.

15

82988206

SEALING WASHER

Hydraulic Pump Pressure Tube

2шт.

16

82988205

HYD CONNECTOR

Tube Hydraulic Pump Pressure

1шт.

17

82988652

SUPPORT

Front

1шт.

18

82988695

SPACER

1шт.

19

47427164

HYDRAULIC OIL FILTER

1шт.

20

81825268

BOLT,Hex, 1/2" - 13 x 2 1/2", Gr 5

1шт.

21

73337242

GUARD

Oil Filter

1шт.

22

85700664

WASHER,3/8" x .81" x .08" Thk

3шт.

23

82988654

SUPPORT

Rear

1шт.

24

83907387

LOCK WASHER,3/8"

3шт.

25

81823746

NUT,3/8"-16, G5

3шт.

26

81821205

BOLT,Hex, 3/8" - 16 x 1", Gr 5

3шт.

Выбрано товаров: 26