Запчасти Case IH FARMALL 110A (00.000.37[02]) - PICTORIAL INDEX - HITCHES, DRAWBARS AND IMPLEMENT COUPLINGS (00) - GENERAL & PICTORIAL INDEX

Схема запчастей Case IH FARMALL 110A - (00.000.37[02]) - PICTORIAL INDEX - HITCHES, DRAWBARS AND IMPLEMENT COUPLINGS (00) - GENERAL & PICTORIAL INDEX
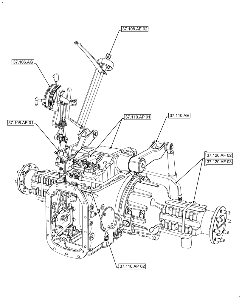
37.120.af 02
37.110.ap 02
37.108.ae 02
37.120.af 03
37.108.ae 01
37.110.ap 01
37.110.ae
37.106.ag
FIT
1:1
100%