Запчасти Case IH FARMALL 110A (10.216.AI[01]) - VAR - 391270 - FUEL TANK (10) - ENGINE

Схема запчастей Case IH FARMALL 110A - (10.216.AI[01]) - VAR - 391270 - FUEL TANK (10) - ENGINE
10.500.ar 01
5
6
7
1
11
6
4
10
13
3
8
12
2
9
15
6
14
55.011.ac
FIT
1:1
100%

Артикул

Название

Примечание

Количество

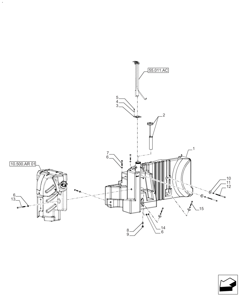
1

48138537

FUEL TANK

1шт.

2

47444988

CAP

Fuel

1шт.

3

73336874

PLATE

Fuel Sender

1шт.

4

86517328

LOCK WASHER,6.1mm ID x 11.8mm OD x 1.7mm Thk

4шт.

5

86508568

BOLT,Hex, M6 x 1 x 16mm, Cl 8.8

4шт.

6

10517074

LOCK WASHER,12.2mm ID x 21.1mm OD x 3.1mm Thk

5шт.

7

350460

BOLT,Hex, M12 x 1.75 x 75mm, Cl 8.8

3шт.

8

82992174

O-RING,15.7mm ID x 3.5mm Width

1шт.

9

82989356

DRAIN PLUG

1шт.

10

5102702

WASHER,10.5mm ID x 45mm OD x 3mm Thk

4шт.

11

85700672

LOCK WASHER,M10

4шт.

12

86624977

BOLT,Hex, M10 x 245mm, Cl 8.8

2шт.

13

328048

BOLT,M12 x 1.75 x 147.68mm OAL, Cl 8.8

1шт.

14

337475

NUT,M12, Cl 10

1шт.

15

120074

BOLT,Hex, M10 x 90, 8.8

2шт.

Выбрано товаров: 15